车辆动力学模型

1 车身动力学模型dev一般都是通过感知当前车辆状态,采用智能控制策略
图片尺寸1480x2110
tadynamics车辆动力学模型库
图片尺寸1080x635
车辆动力学 模型预测控制 mpc 轨迹跟踪
图片尺寸1242x752
内容方便地修改,快速地建立轿车,卡车,客车和摩托车等车辆动力学模型
图片尺寸1703x1218
且二者不可替代,但这并不排除模型分析在动力学中的作用,设计者仍需
图片尺寸640x500
车辆动力学 模型预测控制 mpc 轨迹跟踪
图片尺寸1416x596
tadynamics车辆动力学模型库
图片尺寸744x542
2 纵向动力学模型简化2. 纵向主动力建模2.
图片尺寸553x324
车辆动力学建模与仿真 孝鹏 吴龙 aams 彩图版 含仿真模型资源包h
图片尺寸500x500
开发者说 | apollo控制算法之汽车动力学模型和lqr控制
图片尺寸709x387
汽车主机厂adamscar悬架动力学开发最全攻略赠仿真学习包
图片尺寸833x636
视频 多体动力学及仿真 adams adams car课程说明 adams_fsae整车
图片尺寸965x738
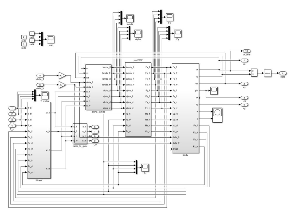
【发布】八自由度车辆动力学simulink仿真模型及联仿验证 | matlab
图片尺寸1008x727
车辆动力学模型中侧偏力与侧偏角不应该成钝角吗也就是α包含在δ内
图片尺寸1200x617
汽车操纵动力学simulink建模 | 时域 频域 稳定性分析 | 2自由度单轮
图片尺寸1129x734
基于特性的商用车全浮式驾驶室动力学模型_搜狐汽车_搜狐网
图片尺寸942x674
ansys fluent meshing在汽车整车空气动力学及热管理中有哪些应用?
图片尺寸800x564
1 悬挂式单轨车辆动力学模型
图片尺寸945x582
卡车柴油动力总成模型
图片尺寸820x436
学习笔记19--汽车模型之汽车运动学-csdn博客
图片尺寸1129x633