轮边桥结构图

卡车轮边减速桥有什么优劣势?
图片尺寸720x540
一种轮边减速双速驱动桥的制作方法
图片尺寸1000x859
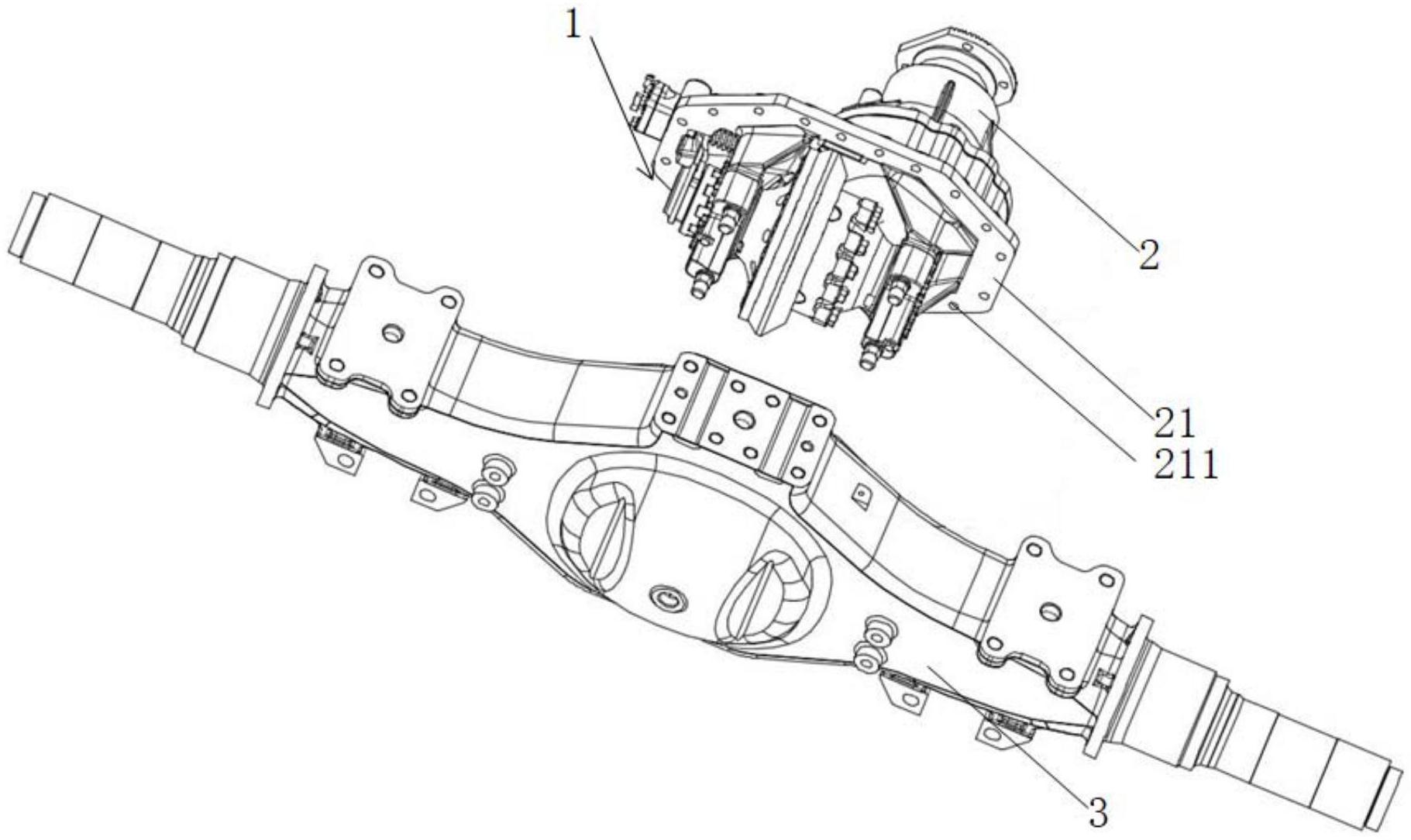
一种轮边减速桥总成及汽车
图片尺寸1821x1084
轮边减速桥的传动原理
图片尺寸1080x810
cn207088967u_一种纯电动轮边驱动桥单元有效
图片尺寸2307x1594
车桥培训讲义ppt
图片尺寸1080x810
一种装载机驱动桥轮边减速装置-爱企查
图片尺寸2765x2000
4轮式驱动桥构造与维修ppt
图片尺寸1080x810
装载机驱动桥轮边连接结构
图片尺寸1000x713
轮边驱动系统,轮边驱动桥总成以及车辆的制作方法
图片尺寸1000x912
cn111890920b_一种带轮边减速前驱动桥的轮端动力离合装置有效
图片尺寸1927x939
车桥和车轮分析及讲解
图片尺寸1080x810
一种新型的全液压轮式挖掘机的车桥总成的制作方法
图片尺寸1000x587
一种轮边减速桥盘式制动结构,轮边减速桥及汽车的制作方法
图片尺寸443x293
一种轮式挖掘机前驱动桥的制作方法
图片尺寸1000x347
带轮边减速器的驱动桥设计
图片尺寸1200x800
汽车构造讲课ppt-21车桥和车轮
图片尺寸1080x810
电动车轮边双电机驱动桥分析与典型产品参数和结构分析
图片尺寸600x432
一种用于轮式挖掘机的驱动桥轮边的制作方法
图片尺寸443x408
汽车构造讲课ppt-21车桥和车轮
图片尺寸1080x810