软启动器电路图

【软起动器主回路接线方式】 晶闸管软启动器亦称电子式软启动器,俗称
图片尺寸1554x1280
电机软起动器(电机软启动是什么意思)
图片尺寸1280x818
电机软起动器(电机软启动是什么意思)
图片尺寸1132x998
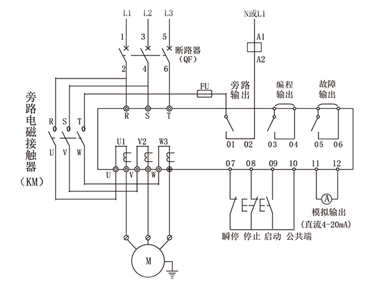
西普str机软起动器一拖二电路
图片尺寸696x1496
软启动柜电路连接接线图文详解
图片尺寸678x729
软启动器的原理和接线说明
图片尺寸450x418
定制 启变在线风机水泵电机软启动柜器22/37/55/115/160/200/320/450
图片尺寸750x564
软启动器一控三工作原理讲解
图片尺寸800x477
电动机软启动器qb-h系列工作原理
图片尺寸1477x1262
软启动电路 - 热门商品专区
图片尺寸1363x2000
18kw水泵软启动原理图
图片尺寸874x620
电机软启动控制原理图
图片尺寸893x1263
防爆配电箱软启动基本控制电路是怎样的?
图片尺寸244x394
软启动器一拖二图纸
图片尺寸879x583
产品频道 运动控制 启动器 西安西驰 cmc-l数码型软起动器 > 参数参数
图片尺寸388x371
电机软起动器(电机软启动是什么意思)
图片尺寸1060x964
常用的五种电机软启动工作原理及接线图
图片尺寸676x510
电动机软启动器hfr1000系列基本配线
图片尺寸814x1116
一种脱碳软启动器控制电路的制作方法
图片尺寸979x1000
异步电动机软启动电路
图片尺寸1739x1789