轴承代号6

轴承国内厂商代号及国外品牌代号对照表
图片尺寸629x886
电动机轴承代号说明及型号对照表.电动机|大兰电机厂家|油泵电机
图片尺寸2017x2006
常用轴承代号(gb/t 272—1993)
图片尺寸682x810
常用轴承代号新旧对照
图片尺寸642x943
常用轴承新旧代号对照表
图片尺寸798x1071
nsk轴承型号含义-nsk轴承后缀代号说明
图片尺寸408x609
滚动轴承的基本代号
图片尺寸534x706
常用轴承类型结构及代号图
图片尺寸920x1302
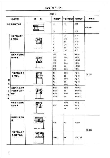
gbt 272-93 滚动轴承 代号方法
图片尺寸2128x3032
2344系列双向推力角接触球轴承代号
图片尺寸800x737
轴承新旧型号对照表
图片尺寸1441x622
轴承代号.png
图片尺寸664x512
ntn轴承代号的构成及排列简介
图片尺寸600x296
滚动轴承代号的相关知识介绍,请收藏
图片尺寸558x693![常用轴承代号含义[1]](https://i.ecywang.com/upload/1/img1.baidu.com/it/u=1807687570,2653232564&fm=253&fmt=auto&app=138&f=JPEG?w=500&h=670)
常用轴承代号含义[1]
图片尺寸788x1056
6306zzcm 单列深沟球轴承
图片尺寸720x974
深沟球轴承型号
图片尺寸686x1015
工程科技 机械/仪表 轴承基础知识培训ppt 第五章 滚动轴承代号 表1
图片尺寸1170x810
轴承国内厂商代号及国外品牌代号对照表
图片尺寸629x1022![滚动轴承代号方法(gb/t 272-1993) [平装]](https://i.ecywang.com/upload/1/img0.baidu.com/it/u=4215936020,4081082174&fm=253&fmt=auto&app=138&f=JPEG?w=450&h=643)
滚动轴承代号方法(gb/t 272-1993) [平装]
图片尺寸450x643