轴承cad图纸怎么画

滚动轴承及其画法不做技术也要懂一点
图片尺寸563x505
skf 32972轴承
图片尺寸780x340
圆锥滚子轴承一些问题研究
图片尺寸430x372
koyo 6014-rs 轴承图纸参数
图片尺寸400x200
n208-e-tvp2轴承
图片尺寸230x231
3319-m轴承样本图纸
图片尺寸704x270
koyo 7010 c 轴承图纸参数
图片尺寸500x200
>右端盖层>左端盖层>定位螺母层>挡油盘层>滚动轴承层>齿轮层>蜗杆轴
图片尺寸504x380
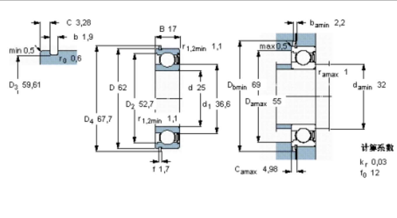
skf 6305-znr轴承
图片尺寸1361x748
改小占用空间,求各位给指点指点_球轴承
图片尺寸370x500
skf n022轴承
图片尺寸780x340
圆柱孔调心球轴承
图片尺寸591x551
带外罩式深沟球轴承
图片尺寸550x367
ina zarf3080-tv轴承图纸
图片尺寸220x220
rna6903轴承图纸
图片尺寸169x205
skf 38880/38820轴承
图片尺寸780x340
轧机轴承
图片尺寸220x176
koyo7301ac/df轴承图纸
图片尺寸400x246
23148cc/w33轴承
图片尺寸250x124
fag 2206ktv 轴承
图片尺寸561x374