轴面角图解

机械设计精品课件 轴ppt
图片尺寸1080x810
设计》西北工业大学课用ppt期末复习材料①——联轴器左端无轴端挡 圈
图片尺寸1080x810
ch09-l 轴ppt
图片尺寸1080x810
机械设计基础 轴
图片尺寸1080x810
你真的会设计轴吗轴系设计所需考虑的七大要点解析
图片尺寸670x327
轴的各个部分名称 - 知乎
图片尺寸1536x2048
第9章 轴测图ppt
图片尺寸1080x810
基于轴面角确定三轴磁传感器轴间角的方法
图片尺寸800x914
减速器轴的结构设计ppt
图片尺寸1080x810
在截面尺寸突然改变处如轴的轴肩,要采用半径足够大的过渡圆角.
图片尺寸600x468
褶皱轴面
图片尺寸408x430
关于轴的倒角和过渡圆角的尺寸
图片尺寸959x638
特点:60°大接触角,把钢球数量增多,进一步提高轴承的轴向
图片尺寸1654x1837
梁在水平纵向对称面 xz 平面内 弯曲,y材料力学课件 轴为中性轴.
图片尺寸1080x810
轴的配合表面处圆角半径和倒角尺寸
图片尺寸741x364
高中数学1-2角的概念的推广课件北师大版必修ppt
图片尺寸1080x810
ca6140车床的主轴结构图ppt
图片尺寸1080x810
无忧文档 所有分类 资源信息学复习答案 五,褶曲几何参数的确定 图解
图片尺寸818x569
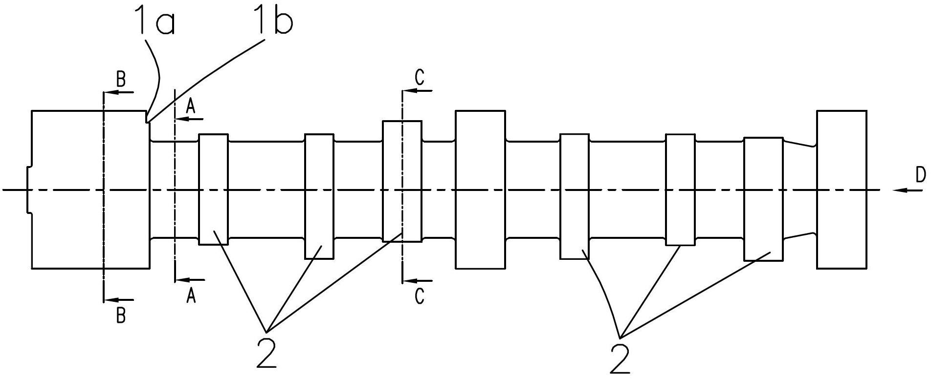
带相位角的轴类零件加工方法-爱企查
图片尺寸1904x776
正等轴测投影的形成及轴间角,轴向变形系数
图片尺寸730x612