轻型动力触探示意图

静力触探和动力触探的区别是什么?
图片尺寸336x302
动力触探仪使用方法(地基承载力检测方法大全)-河北航信仪器制造有限
图片尺寸1200x922
轻型动力触探
图片尺寸546x565
1 轻型动力触探原理
图片尺寸541x789
请问动力触探与标准贯入的区别与联系
图片尺寸560x443
荆西大道,轻型动力触探,搞的还是蛮规范
图片尺寸1834x4096
轻型动力触探仪
图片尺寸290x410
一种基于电磁铁的轻型动力触探设备的制作方法
图片尺寸358x682
(5)根据修正后的动力触探击数,应绘制动力触探击数与贯入深度曲线图
图片尺寸502x473
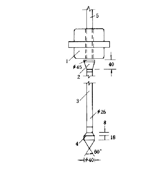
cn110409402a_一种轻型圆锥动力触探装置
图片尺寸1000x888
动力触探
图片尺寸1200x1697
轻型动力触探仪使用说明书_图片_参数_配置-沭阳县市政工程仪器厂
图片尺寸1060x714
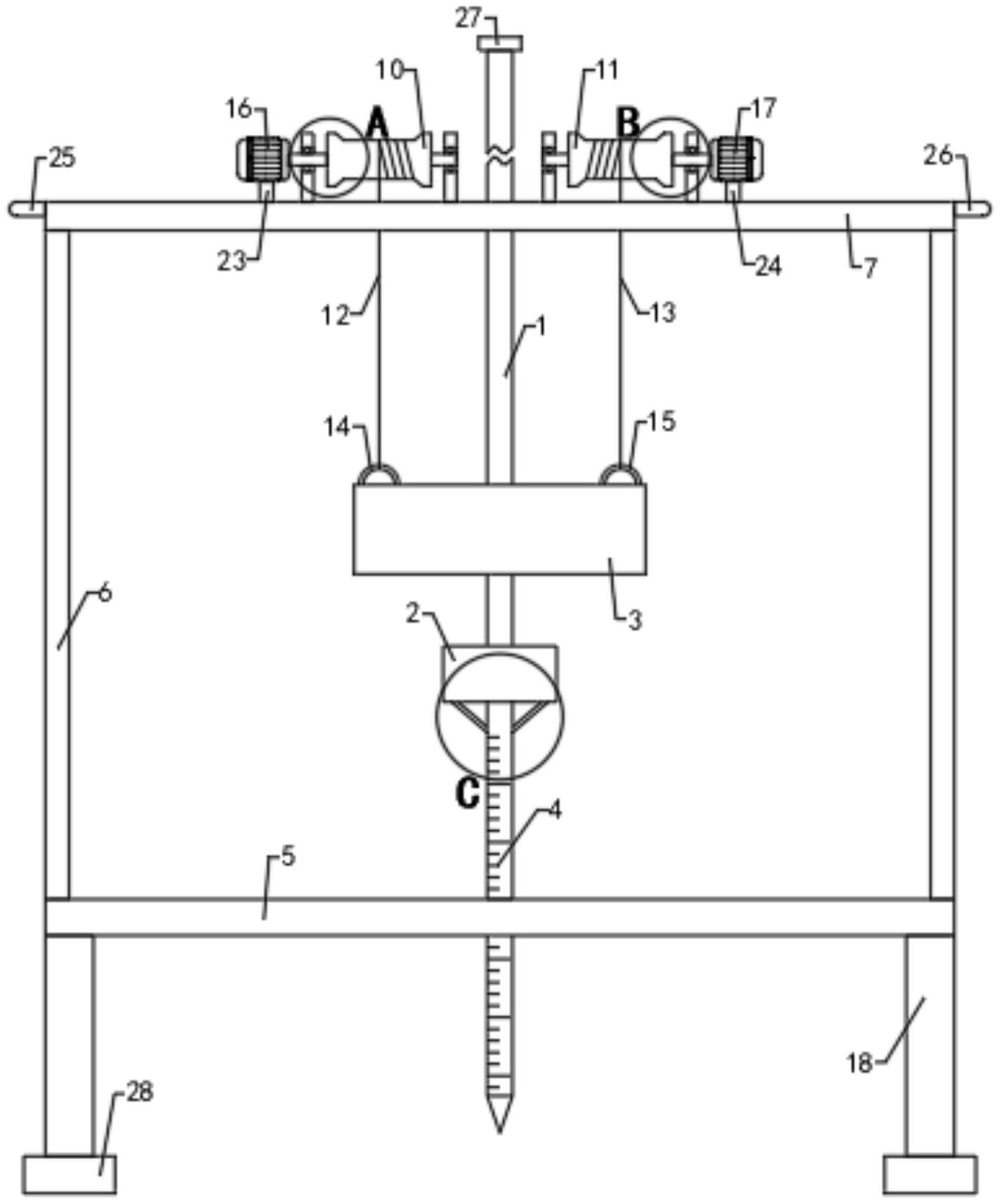
cn106120694a_一种改进型全自动轻型动力触探设备有效
图片尺寸1900x2722
动力触探仪的使用方法和计算(轻型,重型,超重型动力触探适用范围)
图片尺寸773x844
岩土工程勘察技术动力触探ppt18页
图片尺寸1152x864
圆锥动力触探试验2ppt课件
图片尺寸800x600
动力触探之承载力
图片尺寸635x1018
便携式动力触探仪
图片尺寸413x482
轻型动力触探仪10kg钎探仪荷兰法手动贯入仪铁路63.5kg重型触探仪
图片尺寸1000x1000
cn213390070u_轻型动力触探辅助装置有效
图片尺寸1424x1714