达林顿放大电路

一个简单的三极管放大电路问题
图片尺寸410x268
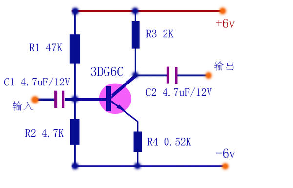
求解释这个放大电路
图片尺寸512x504
求一个集成运放构建一个能放大10倍的直流放大电路
图片尺寸1014x792
多级放大电路
图片尺寸1540x892
达林顿管
图片尺寸1832x765
关于电荷放大器的问题_电荷放大电路-csdn博客
图片尺寸3328x2496
这个电荷放大电路怎么不能工作?
图片尺寸525x370
运放lf347bn达林顿管tip120音频放大电路原理图
图片尺寸1340x746
求助一个达林顿管放大电路
图片尺寸433x293
达林顿管
图片尺寸1116x857
40w放大器电路图
图片尺寸1193x1087
这是我自己电赛实际做过的电路,用达林顿管输出可以达到1a以上的电流
图片尺寸680x414
电路放大
图片尺寸600x385
达林顿三极管放大器直流电路分析
图片尺寸363x401
因数校正_pfc功率因数校正电路_电源pfc电路是什么电路
图片尺寸1072x534
otl功率放大电路图工作原理说明
图片尺寸477x361
达林顿管
图片尺寸1778x800
电路原理图(15k)
图片尺寸750x619
放大电路能量守恒.doc
图片尺寸572x434
opa544大功率放大驱动电路原理图
图片尺寸972x540