过梁怎么画

过梁布置
图片尺寸825x800
现浇钢筋混凝土过梁
图片尺寸760x449
土建计量中过梁怎么绘制
图片尺寸981x472
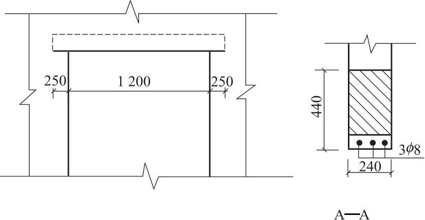
图3 钢筋混凝土过梁示意图
图片尺寸838x435
顶部过梁的八种解决方案,让过梁更完美!
图片尺寸1080x1439
雨棚有过梁怎么画使用板绘制
图片尺寸1031x596
钢筋混凝土过梁
图片尺寸760x318
关于这个窗上的过梁如图
图片尺寸1037x852
过梁
图片尺寸1920x1549
雨棚有过梁怎么画使用板绘制
图片尺寸895x501
请问图上过梁剖面图是否完整没有箍筋信息布置不了啊
图片尺寸1773x824
异形过梁的筋怎么画啊
图片尺寸807x796
抱框画到过梁底还是画到层顶
图片尺寸413x518
结构图设计过梁位置的问题
图片尺寸845x807
这种圆窗过梁怎么画
图片尺寸1149x801
这种截面形状的过梁怎么绘制
图片尺寸966x565
钢筋混凝土过梁计算书
图片尺寸355x191
图中过梁的钢筋怎么看啊
图片尺寸837x409
谢谢请问按说明画出来的过梁凸出来了怎么处理
图片尺寸1164x296
请问这个圈梁加厚兼过梁应该怎么画这根3c14的
图片尺寸839x566