过滤桶的原理图

新手,准备diy一台过滤桶,这个方案可以吗? - 水族硬件 - cta南美水族
图片尺寸1754x1240
2022新款 锦鲤鱼池过滤桶 不锈钢过滤桶同款 缸外过滤桶 外置鱼缸龟缸
图片尺寸750x448
尼特利前置菊花桶鱼缸透明无动力过滤桶水族箱外置过滤器含过滤棉
图片尺寸790x1044
5这个是我的滤筒过滤和制作原理图,制作图片来源qq截图.jpg
图片尺寸895x602
后面三个滤瓶净水桶 高大尚纯水机 壁挂式直饮水 工作原理
图片尺寸1280x1024
过滤桶工作原理图如果一个过
图片尺寸600x510
自制过滤桶
图片尺寸1080x721
滤筒除尘器原理
图片尺寸600x450
过滤桶的型号选择,选型号就选流量,流量按照容积升数的3~8倍.
图片尺寸629x601
滤筒式除尘器工作原理与工程实践
图片尺寸508x574
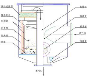
在内夹层的上部设有旋流导向叶片及填料过滤层,桶的下部为油室.
图片尺寸291x255
其它 过滤系统的重要性 写美篇工作原理与上部过滤基本一致不在赘诉
图片尺寸972x1296
lpgt直桶式过滤器.直桶式过滤器结构图
图片尺寸477x454
鱼缸过滤系统运作的原理是什么?_疯狂水草过滤桶商牛农机商城
图片尺寸700x674
diy diy垃圾桶过滤 diy滤筒 同程底滤 龟缸底滤 底部过滤 灰色16工
图片尺寸692x662
我那个滤桶是利用重力和虹吸原理,将水抽至滤桶,下沉!过滤!
图片尺寸662x436
家用纯水机由于过滤精度高,制水流量非常小,所以需要搭配压力桶使用
图片尺寸500x368
滤桶式除尘器工作原理__滤桶式除尘器工作原理和除尘介绍
图片尺寸569x407
外置过滤器森森新款鱼缸过滤桶水簇静音杀菌净水过滤设备
图片尺寸800x800
跟风diy了一台400g无桶ro膜反渗透净水机-值得买
图片尺寸1080x675