远动通讯屏原理图

96寸oled屏硬件驱动电路_四针oled显示原理图-csdn博客
图片尺寸843x600
系统,其技术方案要点是包括用于和外部手机进行数据通讯的蓝牙模块
图片尺寸898x1262
电话远程控制电路图
图片尺寸1189x621
led显示屏原理图
图片尺寸854x1263
一种led显示屏驱动电路
图片尺寸2341x1608
3.设计原理图
图片尺寸650x421
一个练手的小设计,有点丑哈.附上程序和原理pcb图.
图片尺寸1120x557
请教电话远程控制系统电路问题
图片尺寸1327x564
led显示屏控制系统
图片尺寸1516x1238
用户110kv及已下变电站变配电监控解决方案
图片尺寸1080x737
安科瑞电力监控系统在太阳能电池工厂的应用_控制_设备_操作
图片尺寸1115x643
图6 3#光伏电站屏柜布置图图7 3#光伏电站监控主机与远动通讯屏柜布置
图片尺寸1292x1865
led显示屏控制系统
图片尺寸2095x1036
mst703方案3.5寸显示屏原理图
图片尺寸729x522
基于rs485的远程采集与控制系统的设计
图片尺寸931x1021
远动通信屏
图片尺寸390x407
液晶电视tcon板驱动电路及维修
图片尺寸600x348
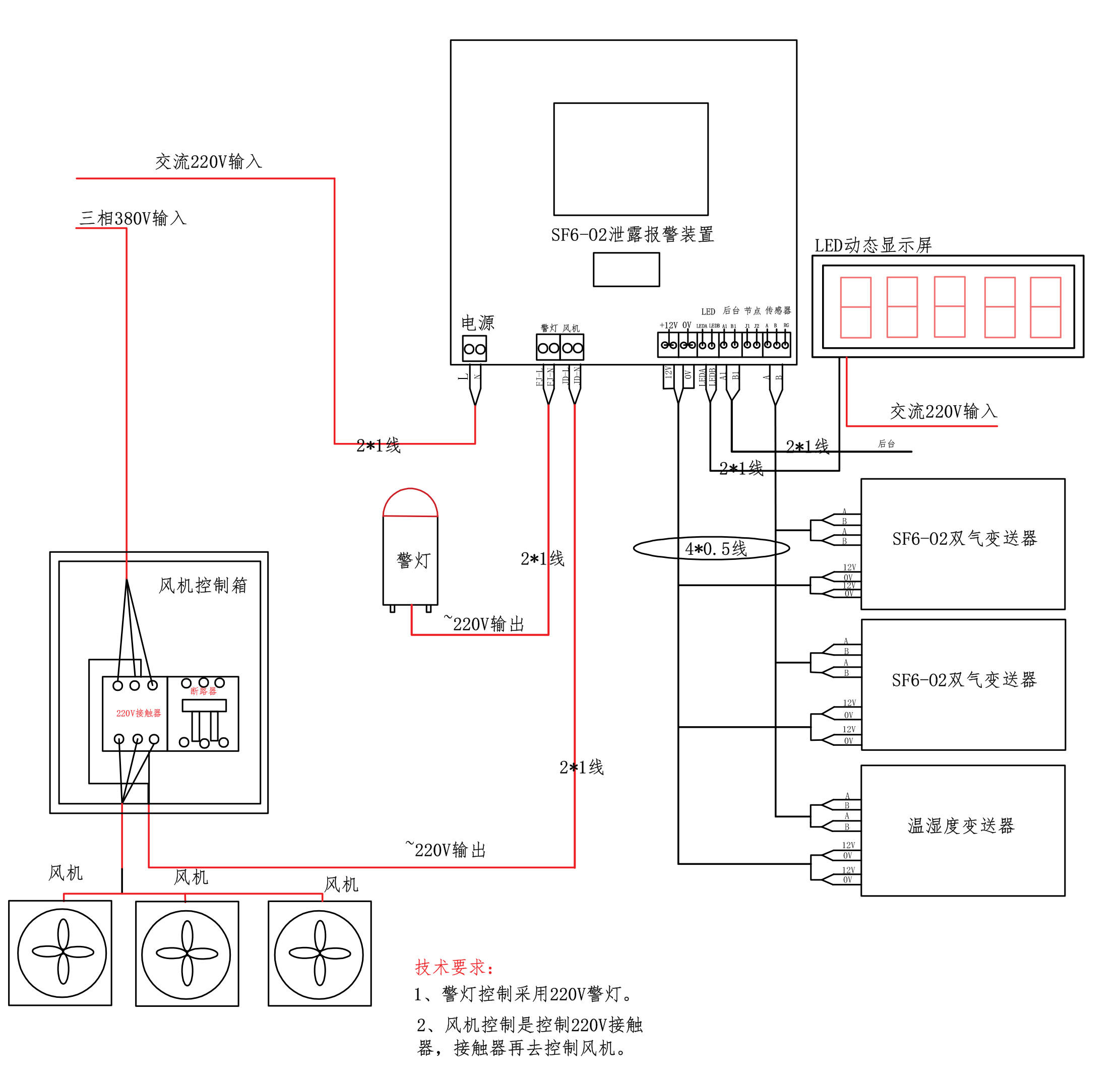
变电站sf6-o2在线监控报警系统在电力行业的创新应用
图片尺寸2222x2143
用户110kv及已下变电站变配电监控解决方案
图片尺寸1080x608
usb转485通讯 1转4
图片尺寸1222x1725