远近光电路路图

方法是否有误,灯光操作杆关闭远光灯的方法,要从近光灯切换至远光灯
图片尺寸728x523
雪佛兰赛欧轿车近光灯电路检修
图片尺寸2921x3108
雪佛兰赛欧轿车近光灯电路检修
图片尺寸2375x2940
汽车车灯电路设计及仿真的总体方案
图片尺寸677x595
大众迈腾轿车远光灯电路控制及检修
图片尺寸1548x793
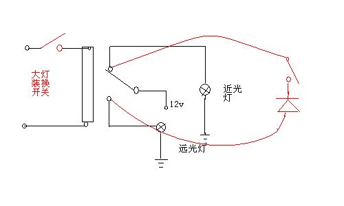
懂04老捷达远近灯光变换电路的老师傅请帮忙了!
图片尺寸500x300
汽车前照灯电路如下图所示在汽车的前照灯电路中近光灯和远光灯是关系
图片尺寸725x243
怎么能让单光氙气灯远近光一起亮起来
图片尺寸554x645
2017年华泰ev160近光灯电路图
图片尺寸604x599
赛欧汽车近光灯电路检修
图片尺寸1509x1986
老款宏光改装远近光都亮的电路图
图片尺寸700x518
cn104228666b_车灯远近光变光控制电路失效
图片尺寸1825x858
远近光怎么实现一起亮
图片尺寸620x445
光电接近开关电源处的led灯有什么用?
图片尺寸600x420
远近光的问题终于解决了
图片尺寸608x531
变光开关打到近光挡时,前照灯电路如图4所示.
图片尺寸1647x1799
汽车改装大灯 开远光近光不熄灭的方法,最好给小弟画一幅电路图.多谢
图片尺寸600x432
请教远近光电路改装问题!
图片尺寸400x220
查修丰田卡罗拉近光灯不亮
图片尺寸700x470
求助近光远光突然都不亮闪远光亮
图片尺寸522x407