连接线接头种类图解

8p8c接头千兆屏蔽六类五类连接电脑网络网线电脑水晶头
图片尺寸700x701
电线接头接法图解
图片尺寸399x356
同轴线缆组件mmcx母头转smc公头弯式接射频连接线
图片尺寸500x375
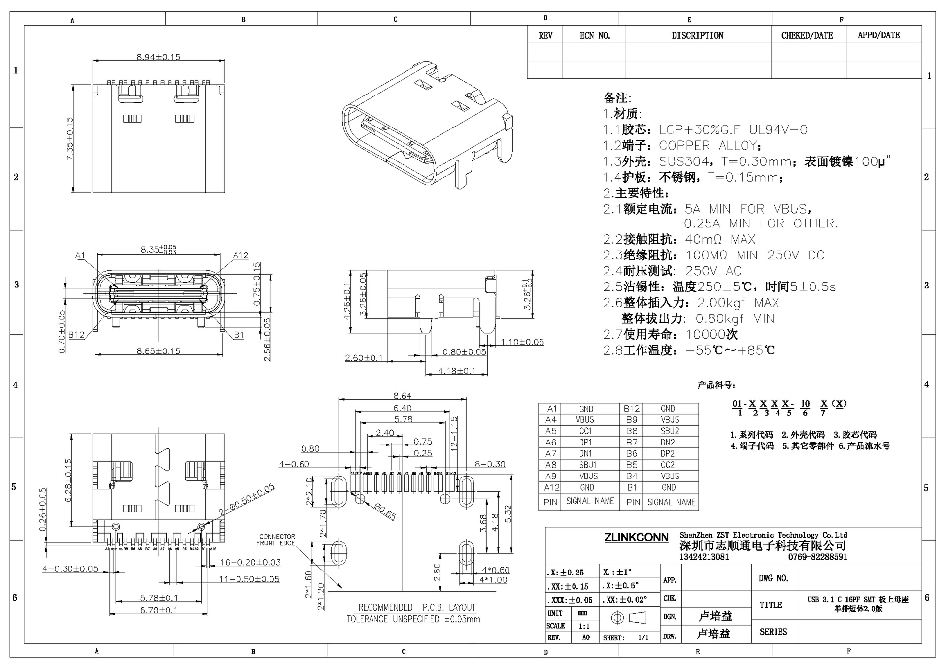
连接器插头批发 type c母座连接器 16p smt 有柱
图片尺寸1920x1357
弱电系统常见接口类型
图片尺寸640x545
科普向工作不那么常见的两种光纤接头
图片尺寸721x349
m12连接器圆形电缆注塑防水接头458芯线长可定
图片尺寸880x975
54端子线空中对插接头2p3p4p5p6p led公母接线端子连接线头子
图片尺寸600x600
choseal/秋叶原 六类水晶头非屏蔽rj45千兆镀金网线接头 qs6016s.
图片尺寸790x1136
03-单股导线的绑接连接法
图片尺寸637x627
源厂家rj45 8p8c水晶头超五类三叉纯铜 镀金 五类网线网络水晶头
图片尺寸1920x1914
品牌 lanig 型号 lgm12-kia-4 种类 插头/插座 额定电流 4a 电压 250
图片尺寸1547x1920
在干燥的室内可不搪锡,所有接头相互缠绕必须在5圈以上,保证连接紧密
图片尺寸640x737
800x544 m12 动力接线定义1.jpg
图片尺寸800x554
网线连接器对接头接法图解
图片尺寸473x430
scsi连接器|3m 10350|50pin 螺丝式焊线公头
图片尺寸750x400
弱电工程中常用接头的接线方法,值得收藏
图片尺寸640x445
网络线束你真的了解吗?
图片尺寸800x353
rj45连接器水晶头接口接法线序
图片尺寸969x883
图文详解电线接头常用连接方法及绝缘处理
图片尺寸544x769