退刀槽放大图

退刀槽
图片尺寸1920x1080
如何用solidworks绘制退刀槽
图片尺寸709x559
退刀槽
图片尺寸1263x792
退刀槽
图片尺寸1882x435
退刀槽
图片尺寸1229x823
工程图退刀槽的标注
图片尺寸800x1132
退刀槽
图片尺寸1897x553
退刀槽
图片尺寸1247x1181
工程图退刀槽的标注
图片尺寸920x1304
退刀槽
图片尺寸386x170
退刀槽
图片尺寸602x355
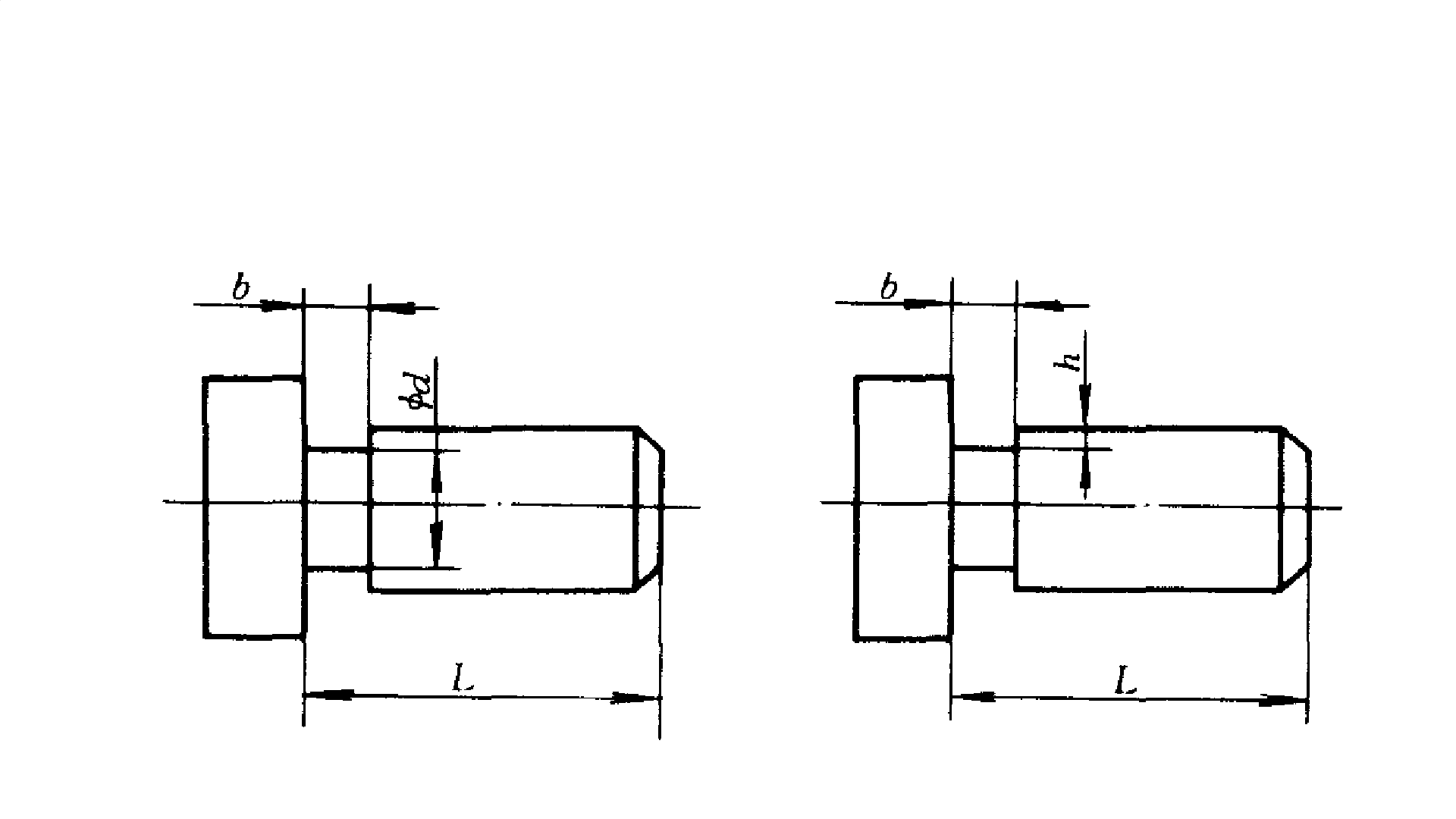
常在待加工面的末端先车出一个环形沟槽,称为螺纹退刀槽
图片尺寸890x402
din_509_退刀槽.类型和尺寸
图片尺寸918x444
螺纹退刀槽
图片尺寸599x185
机械cad软件中怎么画退刀槽?
图片尺寸521x418
外螺纹退刀槽
图片尺寸387x223
退刀槽
图片尺寸1266x821
退刀槽深度
图片尺寸1369x770
机械制图退刀槽怎么画?
图片尺寸969x362
齿轮退刀槽
图片尺寸665x460