逍客电路图

2019年日产逍客空调电路图
图片尺寸606x607
2020年日产逍客室内灯电路图
图片尺寸598x602
2019年日产逍客发动机电路图
图片尺寸602x463
日产逍客2019年款全车不通信检测设备识别不到需要一份电路图
图片尺寸607x603
2021年逍客定速巡航电路图
图片尺寸601x577
2019年东风日产逍客mr20发动机电路图
图片尺寸601x484
逍客电路图16楼维修手册下载地址
图片尺寸700x494
2021年日产逍客原厂维修手册电路图资料线路接线正时大修保养拆装
图片尺寸1047x882
20112012款东风日产新逍客维修手册和电路图下载
图片尺寸1562x1416
原创汽车电路图的读识二东风日产
图片尺寸1093x699
日产逍客刮水器一直低速工作
图片尺寸1661x812
2019年日产逍客门锁电路图
图片尺寸602x608
逍客汽车电路图1 (1)
图片尺寸985x727
东风日产逍客2012款冷却风扇故障两例
图片尺寸719x531
新手篇—轻松看懂汽车电路图(上)
图片尺寸1800x1302
15款逍客转向灯电路图
图片尺寸598x433
蜗牛喇叭加继电器
图片尺寸740x610
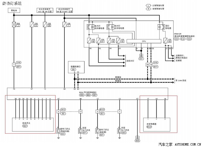
于几个月前就开始着手研究逍客 龙 的大灯电路,车辆
图片尺寸700x508
日产逍客左前门升降器没有反应而且电机有点发热
图片尺寸815x634
检修日产逍客无法启动故障
图片尺寸752x572