通力电梯封线图纸

巨通通力gf21货梯电气原理图
图片尺寸992x1403
巨人通力电梯资料-巨人通力图纸.pdf
图片尺寸1106x829
巨人通力gps20k电梯安全回路详解:ac220v-f2保险丝-xm5插件1号线-f1
图片尺寸750x1130
通力3000电梯无机房图纸
图片尺寸860x1238
通力电梯小机房安全回路图纸 清晰版
图片尺寸959x1357
通力3000电梯安全回路图纸
图片尺寸640x892
巨人通力电梯资料-巨人通力图纸.pdf
图片尺寸1106x829
12通力3000无机房电梯电气原理图
图片尺寸700x990
巨人通力电梯原理图g3001007.pdf 46页
图片尺寸792x1136
12通力3000无机房电梯电气原理图
图片尺寸700x990
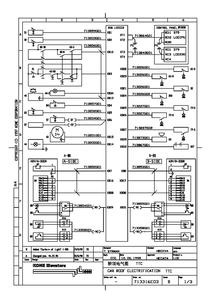
巨通通力gf21货梯电气原理图
图片尺寸992x1403
11通力3000小机房电梯电气原理图
图片尺寸700x990
奥的斯,三菱,日立,通力,富士达各型号电梯安全回路封线
图片尺寸640x443
通力3000电梯安全回路电路
图片尺寸650x918
12通力3000无机房电梯电气原理图
图片尺寸700x990
12通力3000无机房电梯电气原理图
图片尺寸700x990
电梯五方对讲通力总线制联网系统说明书
图片尺寸834x1157
巨人通力电梯g3001007a原理图纸pdf46页
图片尺寸792x1089
巨通通力gf21货梯电气原理图
图片尺寸992x1403
巨人通力电梯图纸怎么看
图片尺寸720x1280