逻辑阀原理图

zp2v逻辑阀真空止回阀安全阀吸盘用保压保真空厂家直销g螺纹插管
图片尺寸1477x712
一种用于数据中心冷冻站的电动阀门控制电路的制作方法
图片尺寸734x1000
麻烦各位帮忙仔细分析一下这个电动阀门的电路图是什么意思?
图片尺寸864x580
双重保护的电动阀门控制电路
图片尺寸1669x1552
液压系统逻辑阀中位压力干扰分析
图片尺寸553x334
电动阀电气原理图
图片尺寸1518x2147
电厂设备原理动图合集!
图片尺寸321x240
hz30t-18b阀门电动装置
图片尺寸2076x1368
阀门电动装置端子排接线图
图片尺寸1106x739
水电厂调速器导叶,桨叶驱动回路断线分析及处理
图片尺寸366x334
电动阀门的工作原理介绍
图片尺寸642x347
cn101096972a_自动清洗逻辑阀组件失效
图片尺寸1486x1279
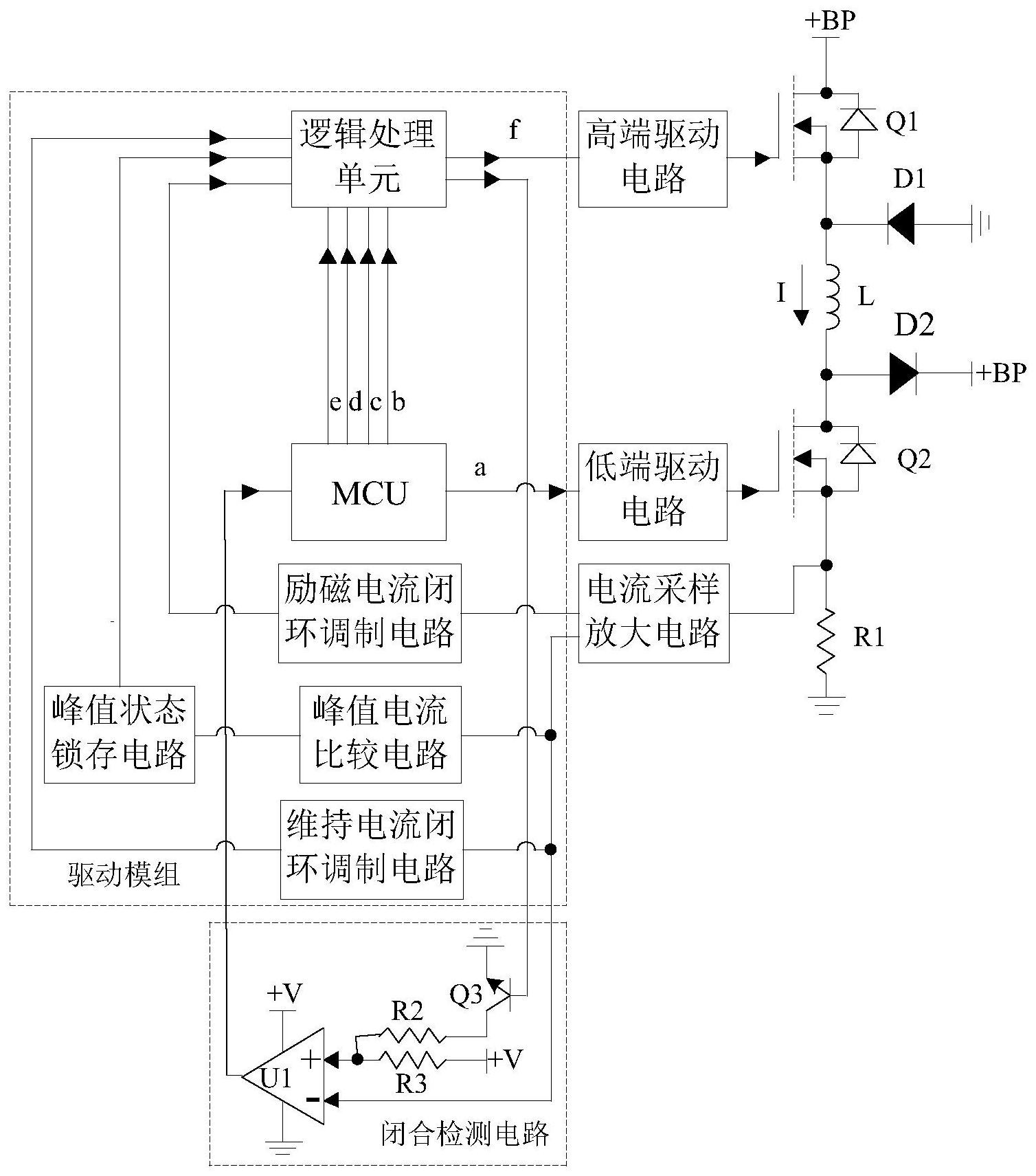
一种具有关闭检测功能的vva电磁阀驱动系统-爱企查
图片尺寸1508x1711
基于pwm控制的电液比例阀控制系统的设计
图片尺寸575x455
非平衡型,导压开逻辑阀
图片尺寸381x335
此原理图为运用逻辑阀和压力阀控制制动器的优先油路和压力.
图片尺寸346x315
逻辑阀上腔连接先导控制阀,与控制油路相通,逻辑阀从工作原理上来看
图片尺寸282x444
阀组保护软件三取二出口逻辑图
图片尺寸539x708
本回路为用液控溢流阀制动回路.
图片尺寸712x492
双作用气动执行器驱动的阀门联锁控制系统-爱企查
图片尺寸1798x1415