道口标柱规格

埋地防撞柱 道路交通隔离警示柱 公路两边固定分道柱 欢迎定制
图片尺寸677x628
产品名称:镀锌管警示柱 产品规格:高750厘米(也可定做) 钢管直径:76mm
图片尺寸775x672
塑料警示柱隔离柱交通设施道口道路标柱路桩安全桩75cm地桩
图片尺寸790x2551
道口标柱公路交通警示标志桩水泥材质120厘米红白色 - 爱企查
图片尺寸750x2831
道口标柱公路交通警示标志桩水泥材质120厘米红白色 - 爱企查
图片尺寸750x3983
1.2米红白道口标钢管警示柱 路桩镀锌管立柱隔离桩反光防撞柱厂家
图片尺寸785x657
道路停车场交通标志杆 交通标杆牌 f型标志杆牌 生产厂家量大优
图片尺寸750x540
75(cm)适用范围广泛表面处理烤漆 贴膜 镀锌规格75公分普通红白固定
图片尺寸790x3272
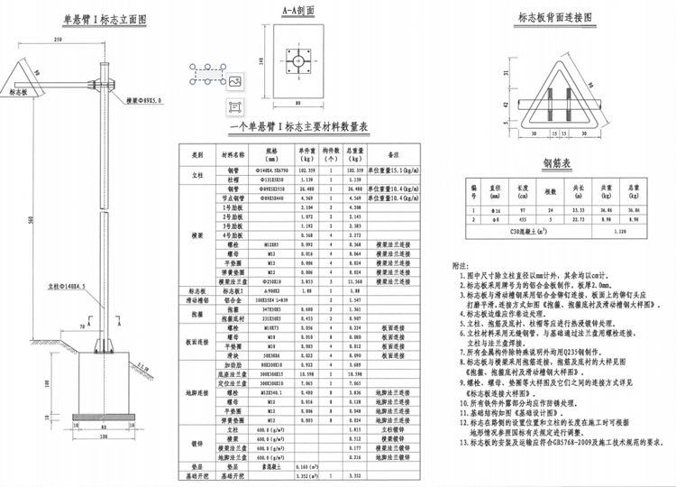
标志立柱材料查询表.pdf
图片尺寸800x1132
反光钢管警示柱交通路障柱镀锌管道路防撞柱隔离柱道口标立柱路桩
图片尺寸790x822
钢管警示柱 红白道口标柱 钢管防护柱 地埋式警示桩厂家批发
图片尺寸1440x1920
75cm弹力柱反光立柱道口柱塑料警示柱道路隔离桩pu警示柱
图片尺寸517x317
柱表没标柱子尺寸,柱子尺寸是不标准的正方形,是否可以先识别柱定位图
图片尺寸1379x702
百舸反光警示柱红白道口柱钢管警示柱隔离桩路桩铁立柱防撞柱50cm加厚
图片尺寸350x350
柱子尺寸核对表格
图片尺寸867x818
道口标柱标志
图片尺寸450x360
3c否包装规格询客服订货号道口柱货号道口柱适用范围路口示警材质pvc
图片尺寸790x1100
红白反光道口桩公路警示柱镀锌钢管警示桩1141200可订制
图片尺寸460x460
定制云南警示柱加厚镀锌钢管反光柱防撞柱子道口固定桩标塑料适配
图片尺寸800x800
钢管警示柱反光柱红白道口桩黄黑镀锌钢管立柱防撞柱隔离柱预埋柱
图片尺寸790x904