避障模块电路图

红外避障模块原理图
图片尺寸673x653
二.避障模块
图片尺寸2051x1067
红外避障机器人毕业设计硬件
图片尺寸665x436
红外对管模块循迹避障原理
图片尺寸744x528
arduino智能红外避障小车原理图与源码
图片尺寸864x568
红外避障模块电路原理图 相关代码:红外避障部分,代码如下 if(q0
图片尺寸702x332
红外避障模块电路图
图片尺寸618x422
功能:实现红外避障和黑线寻迹的功能.
图片尺寸1312x491
基于stm32f103的红外循迹避障小车设计(含proteus仿真) | 码农家园
图片尺寸648x401
51单片机超声波避障小车程序与原理图
图片尺寸925x547
图 16-3 红外避障,循迹原理图
图片尺寸1355x658
哪位高手帮我看看这个电路图能不能实现红外避障功能,还有谁有更好的
图片尺寸788x444
基于stc89c51单片机的智能超声波避障小车精选.doc
图片尺寸792x1120
基于stm32单片机的红外避障及循迹小车
图片尺寸1113x737
无忧文档 所有分类 工程科技 电子/电路 循迹避障小车设计 舵机的驱动
图片尺寸759x390
单片机智能小车超声波测距,超声波避障,红外循迹资料 程序
图片尺寸1411x986
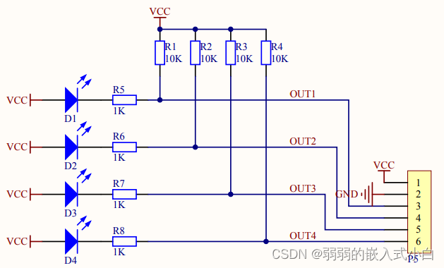
四路红外避障模块使用
图片尺寸629x380
红外避障模块 黑白线循迹 红外检测模块 74hcood组成的红外检测电路
图片尺寸1125x535
红外测障电路
图片尺寸399x379
工程科技 机械/仪表 盲人自动避障装置毕业设计 (4) 超声波模块接口
图片尺寸581x482