酸奶机电路图

酸奶-电路图-电子产品世界
图片尺寸429x355
一种全新破壁机控制电路
图片尺寸1917x958
自动豆浆机控制板的替代(上)-电路图-aet-中国科技核心期刊-最丰富的
图片尺寸803x425
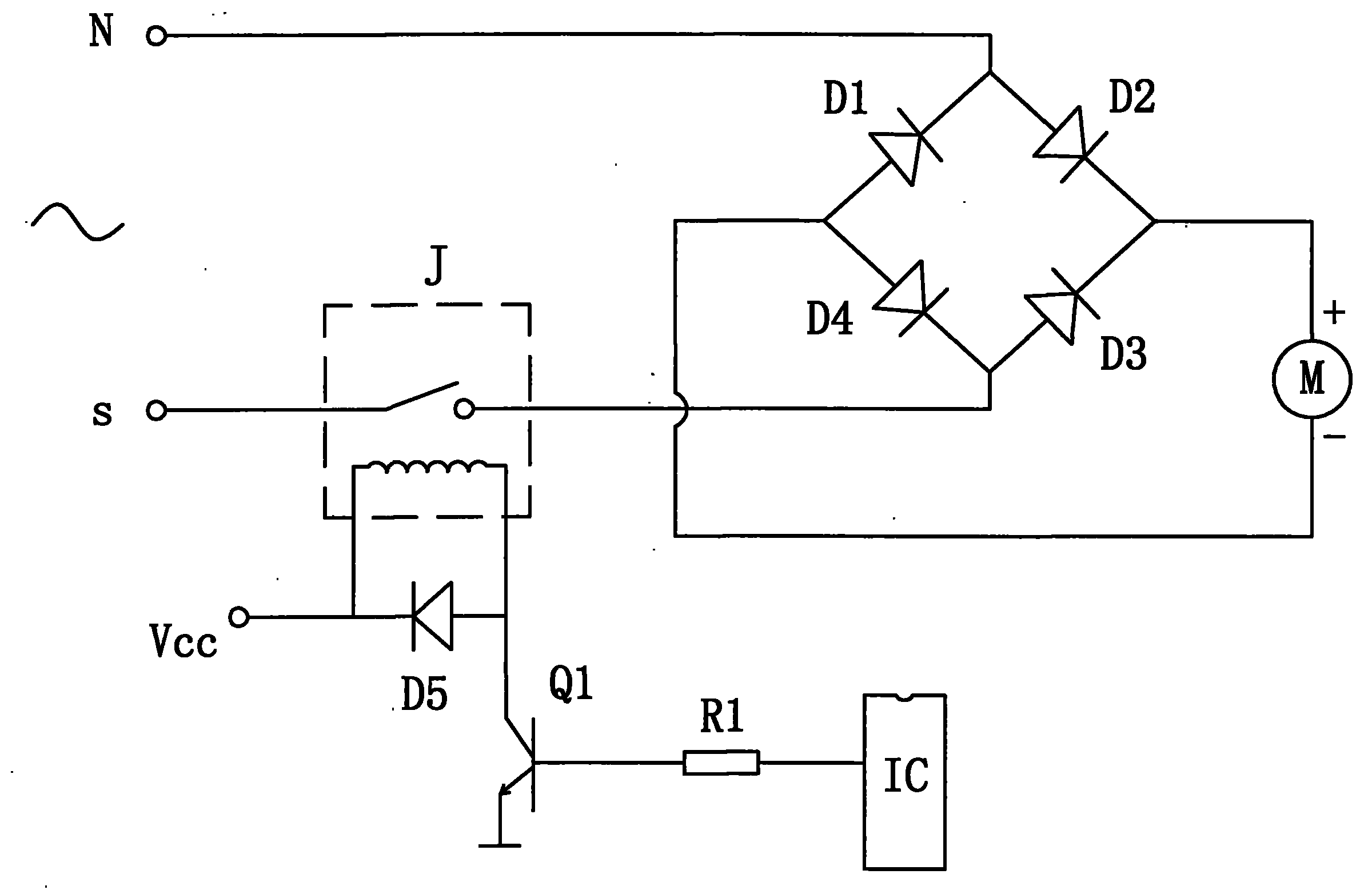
直流电机调速控制电路及利用该电路的自动搅拌奶瓶的制作方法
图片尺寸1000x711
cn201674940u_直流电机豆浆机失效
图片尺寸2400x1557
施乐华-电路图-电子产品世界
图片尺寸1409x567
电源电路图
图片尺寸1230x902
savtm食品加工机工作电路简析
图片尺寸1344x773
一般应用于小家电的电路,如电风扇,暖奶器,酸奶机,煮蛋器,拉发器等等
图片尺寸555x564
破壁机的制作方法
图片尺寸1000x604
豆浆机的电路原理图
图片尺寸1765x1077
料理机及其控制电路的制作方法
图片尺寸1000x482
一种破壁料理机的制作方法
图片尺寸877x1000
比特_电路
图片尺寸1624x1148
一种具有新型控制电路的破壁料理机
图片尺寸1661x847
食品机械的杯体检测电路及破壁机制造技术
图片尺寸1000x880
电子电路图纸简介: 双鹰牌全自动豆浆机.gif
图片尺寸1760x1188
红牌豆浆机按压启动停止键,蜂鸣器一直发出嘟……嘟……报警,而不工作
图片尺寸574x629
cn201788430u_一种多功能温奶器电子控制器有效
图片尺寸1818x1075
ht45r36集成电路
图片尺寸750x777