采样电路

电压采样电路
图片尺寸450x241
运算放大器组成的电流采样电路原理与应用-犭快乐风男-电气基础-哔哩
图片尺寸1920x1080
取样放大电路
图片尺寸971x417
一种双电源自动转换开关的电压采样电路-爱企查
图片尺寸1380x2128
电流取样电路
图片尺寸628x402
采样电阻转化电流为电压高低端采样的问题
图片尺寸604x448
采样电路
图片尺寸1074x716
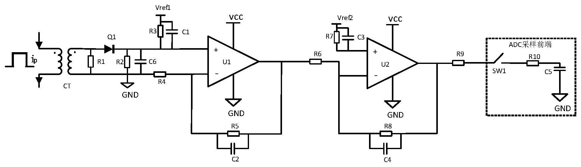
电流互感器输出端的电流采样电路分析
图片尺寸1317x517
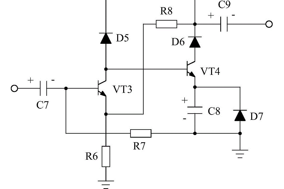
一种高频直流脉冲电流采样电路及保护系统的制作方法与工艺
图片尺寸1000x429
采样信号保持电路
图片尺寸905x420
360影视-影视搜索
图片尺寸1920x1080
采样电路
图片尺寸864x250
一种高边电流采样电路
图片尺寸1876x1809
一种基于ct采样的脉冲电流采样电路
图片尺寸1883x541
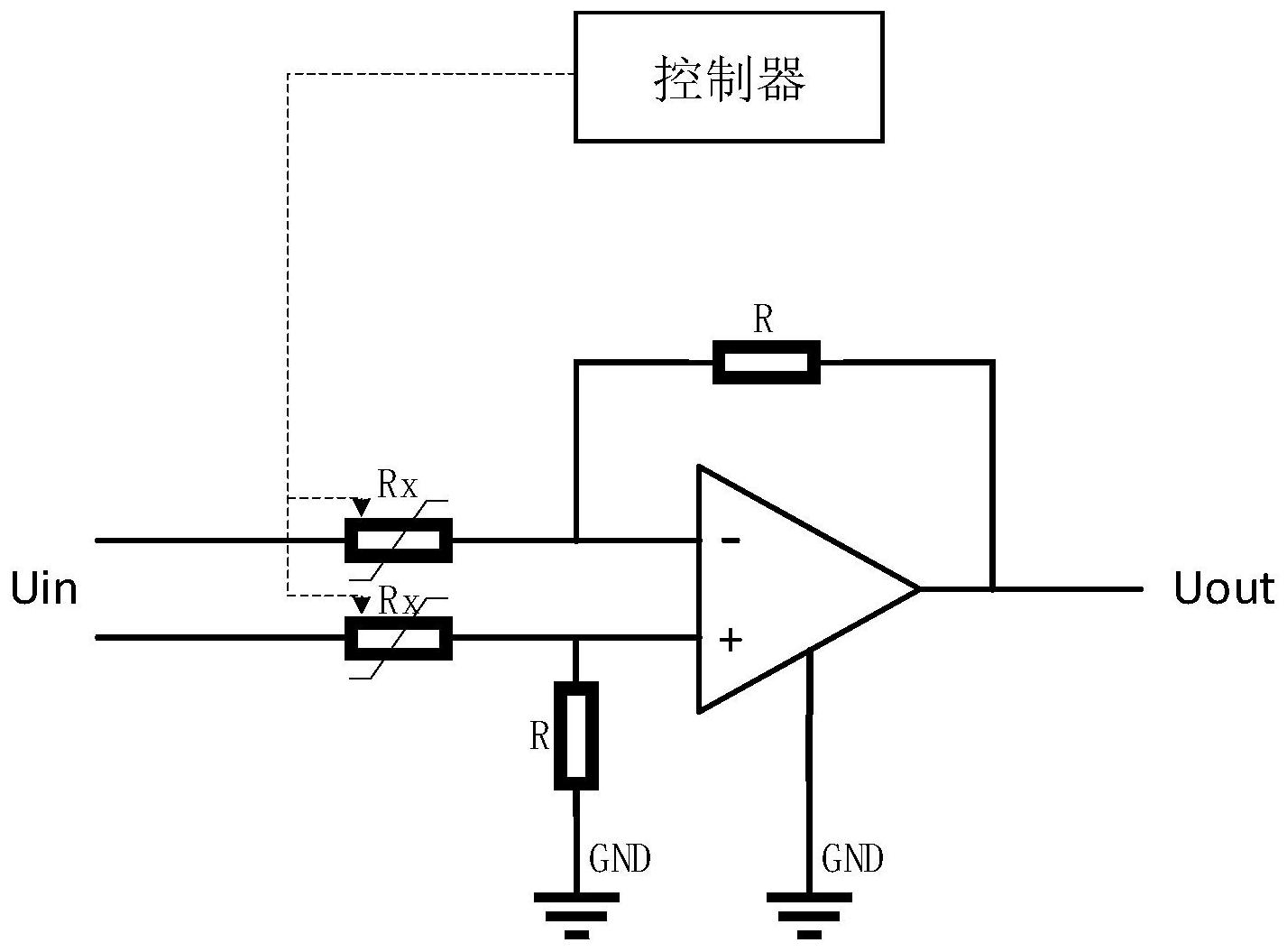
一种基于可变差分和匹配电阻的电压差分采样电路
图片尺寸1427x1055
分析温度传感器采样电路 - 第2页 - 模拟与混合信号 - 电子工程世界
图片尺寸1346x613
帮忙解释一下这个电流采样电路
图片尺寸817x319
运放电流检测采样电路电压采样电路
图片尺寸927x387
ta1623-2电流互感器额定采样电压1.
图片尺寸493x276
交流采样电路
图片尺寸399x235