重型货车结构图解大全

货车结构总体图
图片尺寸500x383
(第一课 ) - 卡车货车维修资料|电喷维修|大修视频|培训图解-卡车维
图片尺寸5000x2803
太脱拉凤凰推出8x8全轮转向卡车底盘 中国重型车网——传播卡车文化
图片尺寸800x445
重型卡车底盘平衡悬架u型螺栓的布置形式分析
图片尺寸920x1302
双桥载重车整体结构外形图
图片尺寸820x465
重型货车 半挂牵引车现场.国五排放 重型货车 半挂 - 抖音
图片尺寸1080x1440
重型矿用自卸车.矢量图照片
图片尺寸465x300
概述重型卡车图像.
图片尺寸452x300
一种重型货车的带提升桥的双前桥结构制造技术
图片尺寸341x1000
重型集装箱半挂车.jpg
图片尺寸600x430
六轴车限重46吨图解真相来了
图片尺寸1080x922
重磅定了营运货车安全技术条件载货汽车标准5月1日开始实施
图片尺寸794x1181
集装箱式重型卡车
图片尺寸820x450
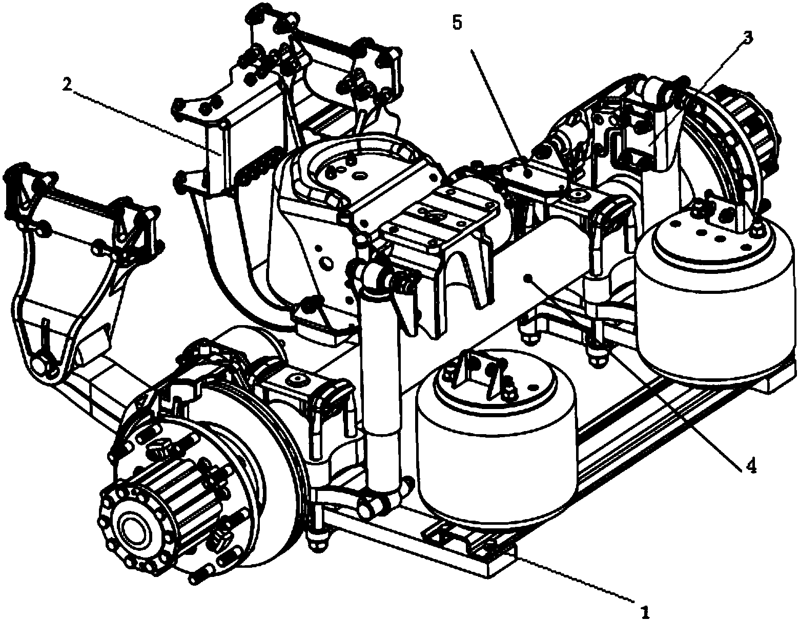
重型载货车及其气囊提升气囊承载后悬架系统
图片尺寸1559x1213
易行天下 智胜未来 "法士特·易行"品牌重磅发布
图片尺寸700x466
草绘的重型卡车照片
图片尺寸442x300
汽车通明 3m车身反光标识 货车反光贴 反光警示条反光条车贴 冷光
图片尺寸506x409
教科书式卡车换季保养技巧不看亏大了
图片尺寸1080x753
重型卡车驱动桥
图片尺寸820x461
集装箱式重型卡车
图片尺寸820x462