金正evd主板电路图

金正n800a型dvd机开关电源(teal522p) 电路 第1张
图片尺寸1706x1273
金正dvd-n926机电源电路图及工作原理分析
图片尺寸717x466
金正n611s型dvd机开关电源图
图片尺寸1162x635
金正av-n109功放电路图4
图片尺寸579x824
金正av-n109功放电路图1金正av-n109功放电路图2金正av-n109功放电路
图片尺寸533x900
dvd电路图1
图片尺寸1077x805
国内某车型前装车载dvd导航原理图(main,tft)部分_懂车帝
图片尺寸1654x2339
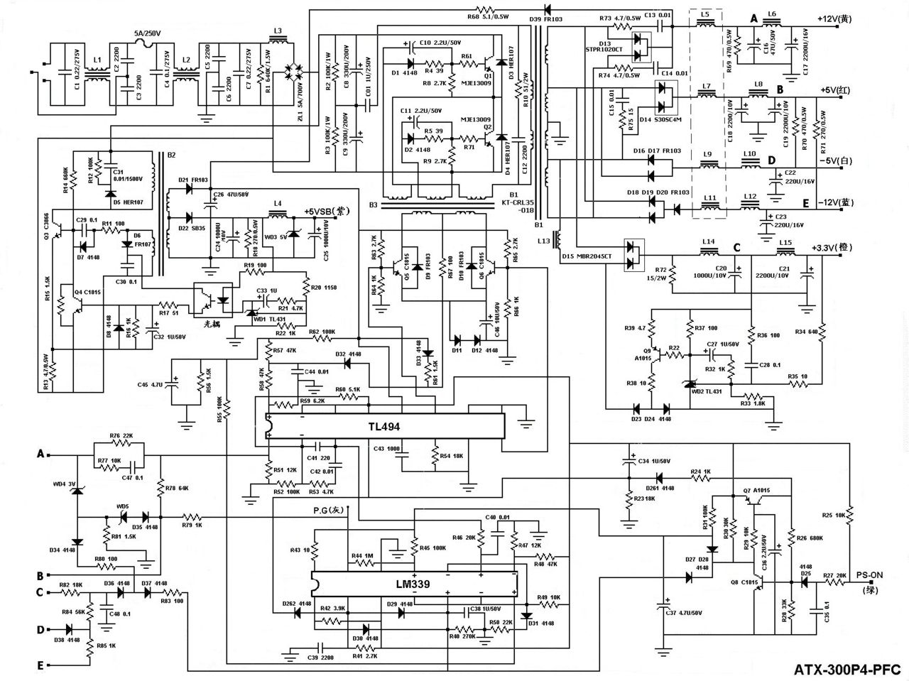
20w(峰值25w)dvd开关电源电路
图片尺寸4181x2874
碟机电源小修2例
图片尺寸2893x1754
dvd播放器电源原理图集锦
图片尺寸830x433
金正tl-32v8主板mst182vg配屏lta320ap12
图片尺寸3648x2736
">ps-on的全称是power supply-on,引脚是单独给主板提供5v的开机电源
图片尺寸1280x959
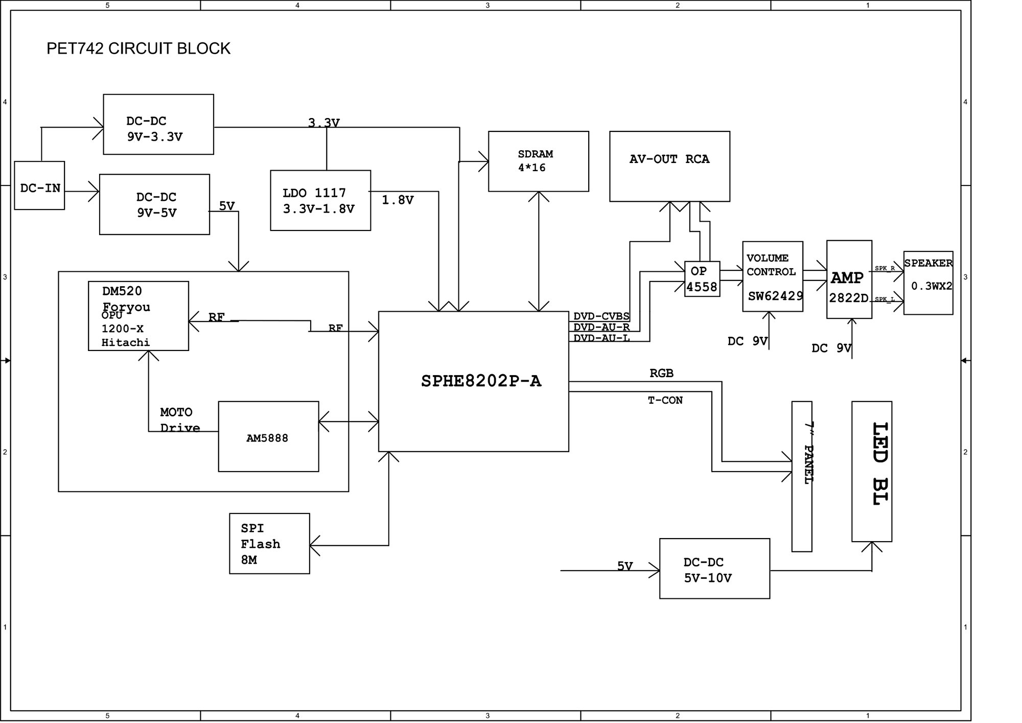
移动dvd主板方框图
图片尺寸2000x1415
sharp_电路
图片尺寸3642x2748
65%_电路
图片尺寸1584x1223
插卡mp3收音机杰理芯片方案实测电路图3例
图片尺寸3136x2434
dvp-s500d_电路
图片尺寸3637x2467
华录bdp0801蓝光dvd机光驱不读碟故障小修
图片尺寸2901x2053
双卡_电路
图片尺寸3677x2622
慧丽 先科金正evd/dvd遥控器pdvd-919 922 789 962 988 989 788a
图片尺寸1624x1620