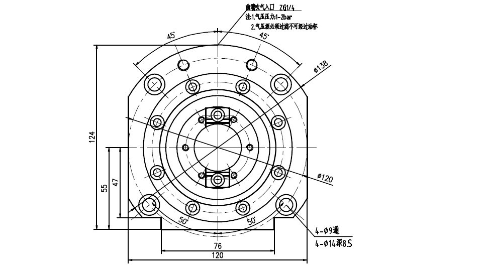
钻攻中心主轴结构图

一种双主轴钻攻中心的制作方法
图片尺寸443x288
一种双主轴龙门钻攻中心-爱企查
图片尺寸1390x1800
一种双主轴钻攻中心的制作方法
图片尺寸309x443
台钻主轴部件和主轴零件与主轴套筒零件.ppt
图片尺寸1152x864
一种双主轴钻攻中心的制作方法
图片尺寸443x377
高速钻攻中心主轴20000rpm
图片尺寸793x448
高速钻攻中心主轴15000rpm
图片尺寸1230x512
一种多主轴钻攻中心的制作方法
图片尺寸438x443
左右移动,主轴箱上下移动,这种结构形式的钻攻中心要获得较高的
图片尺寸359x443
钻床主轴加工工艺
图片尺寸1645x1175
一种台式钻铣床主轴传动机构-爱企查
图片尺寸1504x1648
在bt30接口的立式加工中心所使用的钻攻主轴,其最高转速9000rpm,通常
图片尺寸442x444
高速钻攻中心主轴15000rpm/100外径
图片尺寸973x536
x一种非开挖导向钻机动力头主轴-爱企查
图片尺寸2485x1620
即工作台前后,左右移动,主轴箱上下移动,这种结构形式的钻攻中心要
图片尺寸421x443
数控机床主轴结构图ppt课件
图片尺寸920x690
自动攻丝机主轴部分装配图.png
图片尺寸679x478
钻床主轴
图片尺寸501x906
一种卧式深孔钻床用永磁同步电主轴
图片尺寸1260x715
新型涉及加工中心设备技术领域,且公开了一种cnc数控铣床的电主轴结构
图片尺寸1147x2586