铣床电路图纸

电机图纸资料包含:本文通过对卧室铣床电气控制电路设计,了解其控制
图片尺寸1220x866
北京第一机床x62w铣床电路图
图片尺寸540x1206
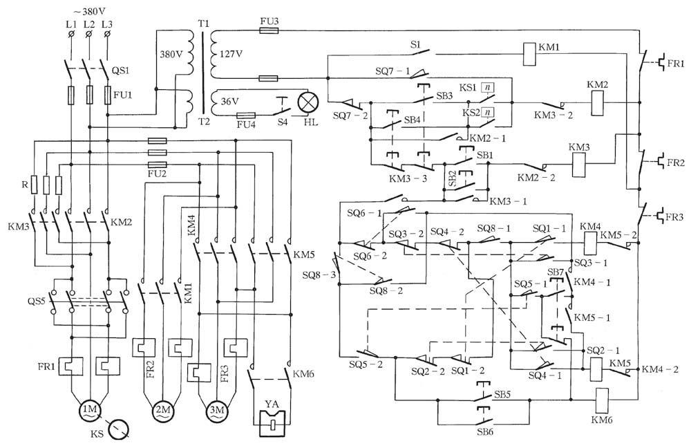
x62w型万能铣床线路
图片尺寸1000x645
电机图纸资料包含:本文通过对卧室铣床电气控制电路设计,了解其控制
图片尺寸1578x697
一单x62w型卧式万能铣床电气控制原理图完成
图片尺寸1270x880
10110卧式铣床电气控制电路设计说明书设计资料源文件
图片尺寸847x713
x5032立式铣床控制电路分析
图片尺寸920x1302
维修电工考证机床原理分析以及故障排除,车铣磨钻
图片尺寸1920x1080
铣床电路控制原理图
图片尺寸920x651
xa6132型卧式万能铣床电气控制电路原理图解
图片尺寸960x632
铣床的电气控制数控机床电气控制
图片尺寸1373x1950
x62w型万能铣床电气原理图电路
图片尺寸1308x759
xa6132铣床电气控制电路
图片尺寸528x673
机床控制电路图
图片尺寸965x800
x62w万能铣床电路图
图片尺寸1154x656
x62w万能铣床电气控制原理图及过程
图片尺寸792x1120
x62w万能铣床电气控制原理图及过程
图片尺寸920x1302
ca6132铣床电气原理图
图片尺寸1080x810
龙门铣床控制电路
图片尺寸1214x844
x63w型万能升降台铣床电气原理图电路
图片尺寸1294x841