铰接螺栓规格表

8级高强度六角螺栓优质结构紧固螺栓120毫米长度各种m16 m36 m42 m39
图片尺寸2000x1926
螺丝规格型号 #紧固件 #源头工厂 #专业生产厂家 #五金 - 抖音
图片尺寸1080x1246
螺栓螺母尺寸表
图片尺寸1920x2560
紧固件机械性能—高温用不锈钢和镍合金螺栓,螺钉,螺柱和螺母
图片尺寸2480x3508
8级电镀蓝白锌高强度螺丝 六角头螺栓 国标 m12 m16 m20 - 爱企查
图片尺寸750x1154
联系卖家螺纹公称(m)全部51个规格型号规格型号螺纹公称(m)公称长度
图片尺寸304x360
完整版六角螺栓规格表大全如下
图片尺寸920x1277
高强螺栓规格表
图片尺寸920x1302
螺栓头部的数字是什么含义?为更好的理解这个问题
图片尺寸790x988
法兰配螺栓表
图片尺寸945x1337
紧固件机械性能—高温用不锈钢和镍合金螺栓,螺钉,螺柱和螺母
图片尺寸2480x3508
8.8级高强度 细牙外六角螺栓 细扣外六角螺丝m30*2/1.
图片尺寸742x688
螺栓长度选择表
图片尺寸790x1082
公制规格螺栓尺寸对照表
图片尺寸656x1006
紧固件机械性能—高温用不锈钢和镍合金螺栓,螺钉,螺柱和螺母
图片尺寸2480x3508
法兰配螺栓尺寸
图片尺寸1240x1753
高强螺栓规格表doc
图片尺寸920x1302
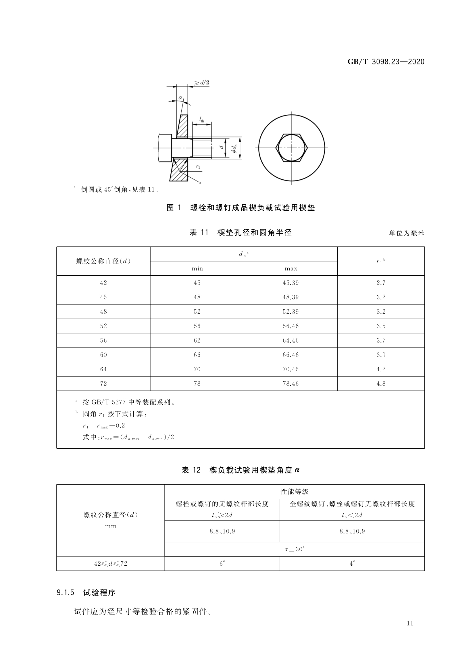
紧固件机械性能—m42~m72螺栓,螺钉和螺柱
图片尺寸1653x2338
液压铰接接头中孔用螺栓国家标准
图片尺寸1201x1718
9级高强度细牙外六角螺丝 细扣螺栓螺杆 m18*1.5/x1.5 m18*1.
图片尺寸750x880