锁存器引脚图

这是74hc573 锁存器的引脚分布图,oe的专业术语为三态允许控制端(低
图片尺寸273x313
锁存器
图片尺寸1034x511
锁存器74ls373(带有三态门的8d锁存器)常用地址锁存器芯片: 74ls773
图片尺寸925x1156
地址线和数据线是复用的,所以需要地址锁存器,使得复用的引脚在某时刻
图片尺寸892x709
锁存器,是一种高性能硅栅cmos器件引脚图74hc573引脚功能特点三态总线
图片尺寸456x507
74ls75锁存器功能管脚全介绍
图片尺寸959x1357
锁存器,是一种高性能硅栅cmos器件引脚图74hc573引脚功能特点三态总线
图片尺寸633x493
移位寄存器74hc164ap引脚图.jpg
图片尺寸1280x986
锁存器芯片74hc573芯片的用法,及其在实际电路中的应用
图片尺寸533x376
通常使用的锁存器有74ls273或74ls373
图片尺寸433x186
硬件stm32sn74hc573锁存器
图片尺寸571x472
锁存器
图片尺寸657x361
图8–2 地址锁存器
图片尺寸1080x810
锁存器使用总结
图片尺寸531x240
74ls373 8d 锁存器/触发器
图片尺寸751x322
mc10h602 9位锁存器/ ttl-ecl转换器
图片尺寸350x190
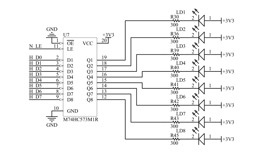
led锁存器
图片尺寸891x542
分析一下sr锁存器的原理
图片尺寸638x532
因为这里我们用的是分时传送见下1,与sram不同我们增加了行地址锁存器
图片尺寸591x672
74hc573芯片是一个锁存器简单来说就是由输入引脚 d1~d8 来控制输出
图片尺寸442x437