锅炉风烟系统简图

锅炉烟风系统的流程
图片尺寸508x612
火电厂风烟系统简介
图片尺寸640x350
你可能喜欢 锅炉风烟系统 风机液压缸 轴流风机 锅炉汽水系统 电厂
图片尺寸1260x763
锅炉烟风系统
图片尺寸2342x1846
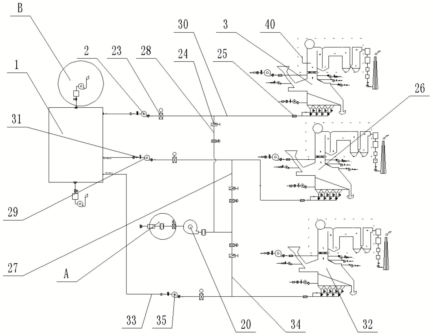
一种火电厂锅炉风烟系统
图片尺寸1909x912
风烟系统10252ppt
图片尺寸1080x810
锅炉系统及布置ppt
图片尺寸1080x810
锅炉及锅炉房设备(1-6章) 20110829 - 副本ppt
图片尺寸1080x810
cn108361731a_热水锅炉风烟系统自动化控制方法在审
图片尺寸1585x1383
锅炉风烟系统流程
图片尺寸640x1058
锅炉烟风系统图
图片尺寸819x1177
消除白烟哪家强西热锅炉最在行
图片尺寸927x445
锅炉风烟系统ppt
图片尺寸1080x810
二,风烟系统流程
图片尺寸1080x810
锅炉烟气系统流程图
图片尺寸1104x737
三种锅炉排烟余热回收系统经济性分析
图片尺寸640x364
锅炉烟道气余热干燥蔗渣应用研究
图片尺寸830x763
660mw超临界锅炉运行系统图全套
图片尺寸820x580
管道连接有除臭装置i,除臭装置ii,一次风机i,一次风空预器i,焚烧锅炉i
图片尺寸1846x1433
1燃料与燃烧系统:包括输煤,磨煤,锅炉与燃烧,风烟系统,灰渣系统等环节
图片尺寸893x435