锚固螺栓规格

化学锚栓规格
图片尺寸1064x620
化学锚栓规格.docx 1页
图片尺寸1218x860
无忧文档 所有分类 工程科技 建筑/土木 钢结构预埋锚栓尺寸 锚固 当
图片尺寸812x977
化学锚栓供应_价格_图片-石家庄市永昌膨胀螺栓厂
图片尺寸750x482
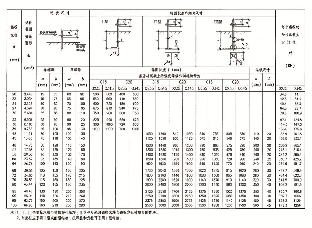
锚栓选用表(钢结构专用)
图片尺寸1000x731
化学锚栓规格
图片尺寸920x651
产品描述 优质镀锌钢m8-m30化学地脚螺栓 尺寸 m8- m30 材料 碳钢
图片尺寸875x509
扑哩扑剌化学锚栓化学螺栓国标建筑膨胀丝 m8*110(20套)
图片尺寸800x800
高强度六角螺栓8.8级m20x30—500 m22x40—500
图片尺寸790x1155
产品特点: 双向:位移现象小,锚固更可靠
图片尺寸1920x855
304不锈钢化学锚栓/化学膨胀螺栓/化学螺丝苗栓m8m10m12m16m20m30
图片尺寸790x828
t型方颈螺栓din186-1988
图片尺寸1287x937
高强化学锚栓
图片尺寸768x412
化学锚栓高强度化学螺栓m8m10m12m14m16m18m20m22m24加长化学螺丝m
图片尺寸750x504
化学锚栓化学螺栓国标建筑膨胀丝m8m10m12m14m16m18m20m22m24m30m8110
图片尺寸750x705
超强抗剪定型化学锚栓化学螺栓njmktc
图片尺寸750x1350
特殊倒锥形化学锚栓fhb的应用钢结构粘钢的机械锚固悬臂托架/牛腿扶梯
图片尺寸881x567![[分享]化学锚栓详细介绍,值得收藏!](https://i.ecywang.com/upload/1/img0.baidu.com/it/u=3508704328,3467351674&fm=253&fmt=auto&app=138&f=JPEG?w=762&h=500)
[分享]化学锚栓详细介绍,值得收藏!
图片尺寸1080x709
自切底机械锚栓技术参数
图片尺寸732x1001
【普勒高强化学锚栓m16*190】价格,厂家,图片,螺栓/螺柱,安勒建材
图片尺寸550x257