键盘电路图

普通键盘电路原理图
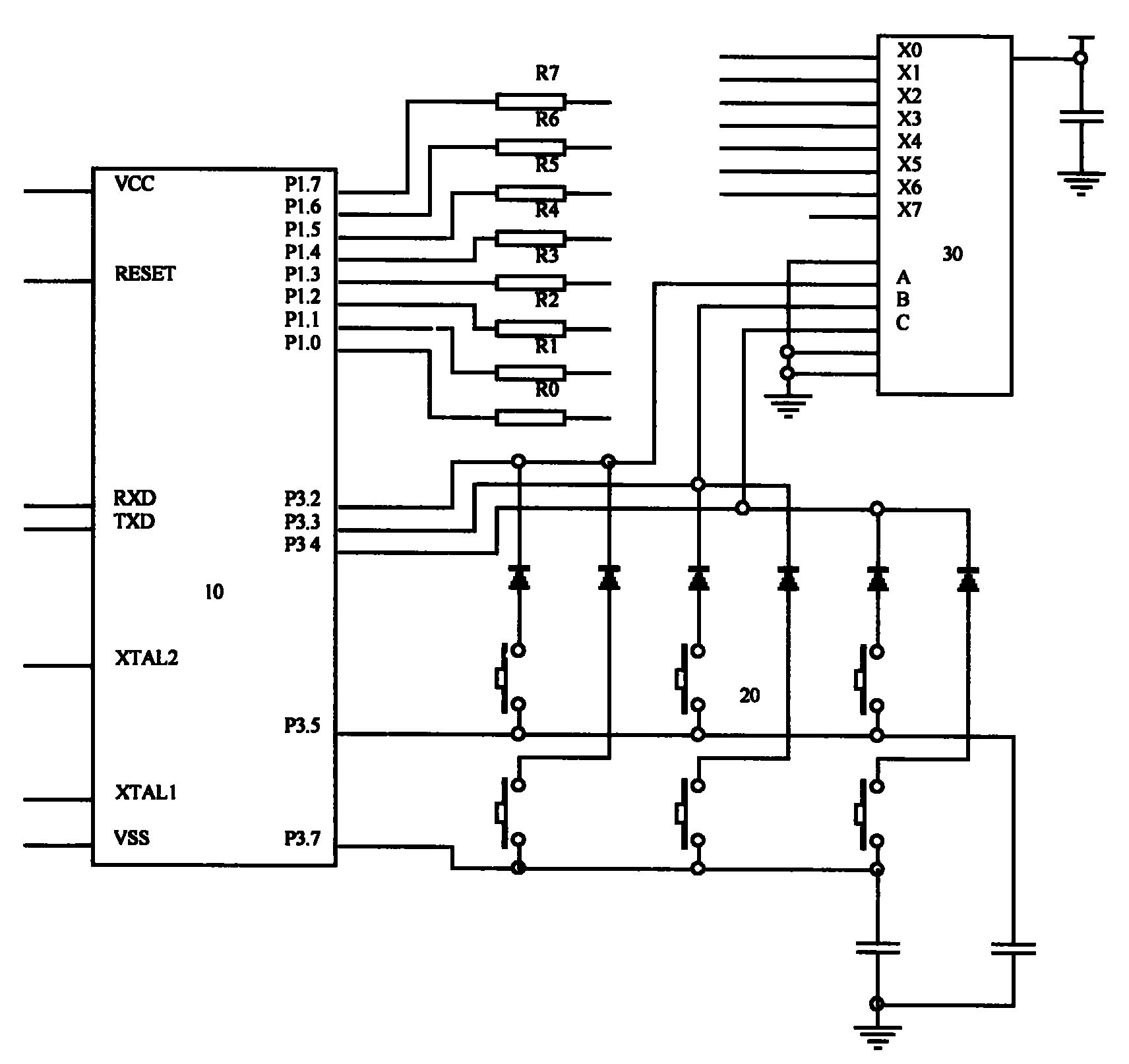
图片尺寸920x1303![图1键盘电路原理图at89c52微控制器具有如下特点[1]: (1)具有8k字节](https://i.ecywang.com/upload/1/img1.baidu.com/it/u=1353047422,4170875671&fm=253&fmt=auto&app=138&f=GIF?w=873&h=500)
图1键盘电路原理图at89c52微控制器具有如下特点[1]: (1)具有8k字节
图片尺寸1000x573
基于proteus的c51矩阵键盘设计
图片尺寸1124x741
很牛的键盘电路
图片尺寸950x586
如图所示:4*4矩阵键盘有4行4列按键,单片机4个i/o口接矩阵键盘的行线
图片尺寸702x576
cn106921394a_一种二维矩阵键盘电路失效
图片尺寸2020x983
机械键盘电路图
图片尺寸626x262
普通键盘电路原理图
图片尺寸453x374
普通键盘电路原理图
图片尺寸893x618
无线键盘接收电路图
图片尺寸1524x965
制作客制化87键机械键盘_oshwhub的博客-csdn博客_ht82k629a键盘电路
图片尺寸1022x611
矩阵键盘
图片尺寸600x462
电脑键盘组装电脑鼠标怎么组装
图片尺寸1245x857
图文4字控制键盘电路
图片尺寸723x516
文档下载 所有分类 工程科技 电子/电路 > 矩阵键盘实验原理图矩阵
图片尺寸1938x801
8086仿真矩阵键盘的proteus仿真
图片尺寸2536x1696
键盘按键的控制电路的制作方法
图片尺寸648x1000
新手关于单片机矩阵键盘和点阵程序的求助
图片尺寸1557x944
看sugar讲矩阵键盘的使用
图片尺寸1496x1503
变频器键盘电路
图片尺寸1712x1614