长动控制电路

电动机单向长动控制电路详解,从原理到应用
图片尺寸1188x1200
连续运行控制也称为长动.在介绍连续运行控制前,首先介绍自锁的概念
图片尺寸1500x1226
探索电动机长动控制电路的工作原理与设计
图片尺寸640x497
长动控制线路实物接线图
图片尺寸1080x1394
长动控制电路接线
图片尺寸1080x810
plc编程第一讲长动控制ppt
图片尺寸1080x810
昆山鸿控plc培训昆山plc培训讲解即可点动又可长动控制电路的工作原理
图片尺寸704x674
电动及长动控制线路图,简单理解为可以点动,也可以自锁,图纸了
图片尺寸1080x2076
熔断器 sb:按钮开关 kt:时间继电器 电路功能: 按下继电器控制电路
图片尺寸1445x865
这个电路用的少,为什么还要学 这个电路的功能是一键启停,这个电路在
图片尺寸1506x934
请指出下列电动机长动控制电路的问题
图片尺寸442x440
纯干货,点动和长动按钮的电路图,看完就会接线
图片尺寸640x567
电动机点动与长动控制电路实物接线图#零基础学电工 #电气控制
图片尺寸1440x2632
电工知识分享 认识点动,长动控制实物接线和动作流程#工控
图片尺寸1440x2620
详解电动机点动与长动控制电路
图片尺寸553x1186
点动与长动线路控制接线图!
图片尺寸1280x651
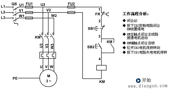
长动控制线路原理图解
图片尺寸579x309
电工电路分享 功能: 按下启动后,电磁阀开启,5秒后自动关闭; 电磁阀
图片尺寸1920x1080
电动机点动与长动控制电路的实物接线方法密码充电桩正规接线图全自动
图片尺寸1080x1438
长动点动,正反转电路
图片尺寸1588x1120