长安cx20图解

长安2014款cx20 1.4序列变速 .#每天推荐好车 # - 抖音
图片尺寸1440x1080
长安cx20
图片尺寸1920x1440
长安cx20
图片尺寸500x334
20112012款长安cx20原厂电路图手册资料下载
图片尺寸1624x1432
长安cx20标准型内饰介绍(图)
图片尺寸550x728
新到15年长安cx20 1.5手动 全车 - 抖音
图片尺寸1080x1440
长安cx20 cx30 cx70 67lumin维修手册电路图2024
图片尺寸1080x993
长安cx20配置参数,长安cx20马力
图片尺寸800x600
16年长安cx20,1.4手动不开天窗,批发价
图片尺寸1024x768
长安cx20
图片尺寸500x526
【图解图片_新兴快马集团四季青店长安cx20图片】-汽车之家
图片尺寸800x600
3l已到店售4.99万-7.09万-长安cx20
图片尺寸500x484
长安2014款cx20 1.4序列变速 .#二手车搬运工 # - 抖音
图片尺寸1440x1080
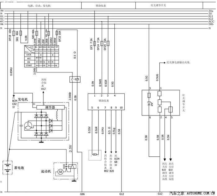
【图】跪求cx20电脑板接线电路图_长安cx20论坛_汽车之家论坛
图片尺寸700x633
12年的长安cx2 - 抖音
图片尺寸1920x1440
长安cx20图片
图片尺寸700x525
14年长安cx20,个人一手,安全行驶了5万多公里,审车保险 - 抖音
图片尺寸1920x1440
长安汽车长安cx20中控方向盘详解
图片尺寸620x768
长安cx20
图片尺寸500x425
长安cx20
图片尺寸500x318