闪烁电路梯形图

plc编程案例之闪烁程序
图片尺寸1920x2336
5秒为一次闪一次,试问这条问题编写成plc的梯形图怎么画?
图片尺寸3024x4032
闪光电路程序
图片尺寸1440x1920
闪烁电路plc梯形图plc振荡电路梯形图振荡电路plc梯形图plc的频闪plc
图片尺寸1000x500
s7-200 闪烁梯形图
图片尺寸3000x4000
求三菱plc梯形图:设计一个闪烁电路 sb按下时 hl亮2.5s灭1
图片尺寸1227x590
plc振荡电路(闪烁电路)
图片尺寸960x1280
红绿灯运行程序.#电气自动化培训 #plc培训 #自动化学徒
图片尺寸1440x1988
plc编程红绿灯程序,自动化应用无处不在,想学习的右边戳戳戳
图片尺寸1224x1882
这是通过两个接通延时实现的闪烁电路. 按钮i0
图片尺寸1366x771
200做一个闪光电路的梯形图
图片尺寸494x332
plc利用定时器设计一个闪烁电路,闪烁周期为1秒,占空比为80%
图片尺寸482x388
用定时器控制灯的闪烁梯形图
图片尺寸613x683
灯亮灯灭各五秒循环程序#定时器 #plc编程
图片尺寸2880x2160
用定时器控制灯的闪烁梯形图
图片尺寸430x692
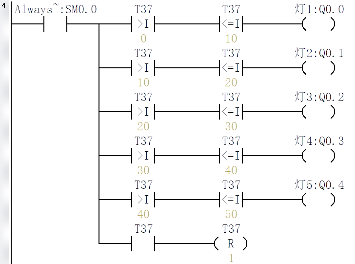
西门子200smart plc编程:实现流水灯控制的超简单方法
图片尺寸728x541
无忧文档 所有分类 工程科技 电子/电路 红绿灯闪烁实验plc梯形图 第2
图片尺寸686x472
图片尺寸2480x3508
plc彩灯闪亮循环控制梯形图工作过程
图片尺寸543x204
西门子plc的闪烁电路
图片尺寸4000x1800