阀体二维图

09王静图集阀体
图片尺寸1840x1318
1阀体零件图.pdf
图片尺寸800x566
阀体零件图
图片尺寸1403x1984
阀体零件结构分析及工艺规程设计
图片尺寸1680x1660
阀体机械加工工艺及钻Φ18mm孔夹具设计
图片尺寸1200x800
solidworks 请教 截止阀 阀体建模过程,谢谢
图片尺寸3507x2480
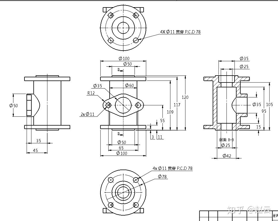
请问有大神告诉我怎么画这个阀体的零件图吗
图片尺寸966x769
zdn200-16c 阀体图纸
图片尺寸820x669
【gy091】阀体零件工艺规则及车夹具设计/cad图纸说明书资料
图片尺寸788x532
阀体零件图pdf
图片尺寸800x568
一款球阀的设计二维图纸 - 阀体图纸 - 沐风网
图片尺寸820x577
球阀的使用说明书
图片尺寸756x597
减温水调节阀二维图纸 - 阀体图纸 - 沐风网
图片尺寸820x584
阀体
图片尺寸716x528
截止阀二维图.zip
图片尺寸2338x1653
cn105402461a_一种球阀阀体结构失效
图片尺寸2325x1600
dn600三偏心蝶阀 - 阀体图纸 - 沐风网
图片尺寸820x582
阀体毛坯图a1pdf
图片尺寸920x651
阀体 3.jpg
图片尺寸1752x1239
阀体外形图
图片尺寸736x543