阀体零件图答案

阀体零件图
图片尺寸1403x1984
阀体零件结构分析及工艺规程设计
图片尺寸1680x1660
阀体
图片尺寸794x595
求高压球阀图纸
图片尺寸1280x850
安全阀阀体
图片尺寸729x467
1阀体零件图.pdf
图片尺寸800x566![根据安全阀装配图拆画1号零件的零件图.(40分) [图]. - 上学吧找答案](https://i.ecywang.com/upload/1/img2.baidu.com/it/u=3730844373,1546222683&fm=253&fmt=auto&app=138&f=JPEG?w=500&h=710)
根据安全阀装配图拆画1号零件的零件图.(40分) [图]. - 上学吧找答案
图片尺寸623x885
阀体零件结构分析及工艺规程设计
图片尺寸1682x1255
阀体
图片尺寸560x842
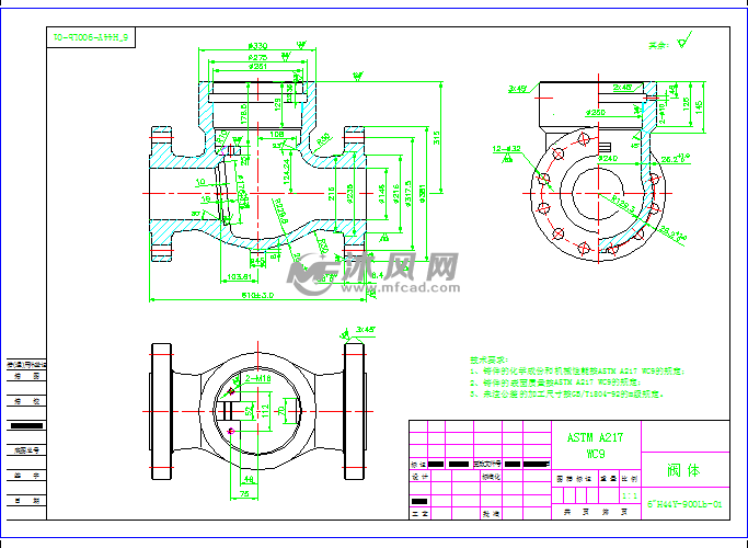
dn50 pn40 硬密封浮动球阀 - 阀体图纸 - 沐风网
图片尺寸728x532
这个阀体的铸造工艺流程是怎么样的啊?
图片尺寸520x446
液压阀体零件的机械加工工艺规程机械cad设计素材
图片尺寸953x696
图所示的阀体零件图回答下列问题
图片尺寸684x740
机械工程制图手压阀阀体零件图读图--wisper---高数-哔哩哔哩视频
图片尺寸1728x1080
旋塞阀 阀体锻造及加工
图片尺寸1020x636
基本简介dsj140-200-3×400可伸缩皮带机杠杆(ca6140车床零件图)dn
图片尺寸1070x717
1阀体零件图pdf
图片尺寸800x568
供应不锈钢球阀q41f16c手动法兰球阀浮球阀
图片尺寸800x566
读换向阀装配图回答问题
图片尺寸1198x861
阀体
图片尺寸683x500