防排烟系统原理图

消防水系统,火灾自动报警系统,气体灭火系统,防排烟系统,应急疏散系统
图片尺寸3500x2447
防排烟系统
图片尺寸1096x730
建筑防烟排烟系统技术标准图示15k606(最新修订版):4.5 补风系统
图片尺寸2026x1407
从控制烟气的角度看,排烟系统可分为两部分:蓄烟设施和排烟设施.
图片尺寸1080x510
建构筑物消防员初级-防排烟系统
图片尺寸1027x532
消防排烟系统包括哪些_由哪些部分组成的
图片尺寸920x517
建筑防烟排烟系统技术标准图示15k606最新修订版33
图片尺寸2593x1629
为了达到规范的要求,防排烟系统联动控制的设计,是在选定自然
图片尺寸1373x469
建筑防烟排烟通风系统基础图文讲解第二期绝对干货
图片尺寸437x609
什么是排烟风机控制?
图片尺寸1334x721
浅析排烟系统的电气设计
图片尺寸945x1055
建筑防烟排烟系统技术标准图示15k606最新修订版33
图片尺寸1366x2351
建筑的防烟方式有哪些?
图片尺寸1275x1167
一种排烟窗消防应急控制系统-爱企查
图片尺寸1976x1678
厨房拒绝雾霾一站式配套油烟净化通风排烟系统工程
图片尺寸620x444
建筑防烟排烟系统技术标准图示15k606(最新修订版):4.5 补风系统
图片尺寸2048x1613
防烟系统的联动控制 一只船教育 16人赞同了该文章 关于 防烟排烟系统
图片尺寸944x1480
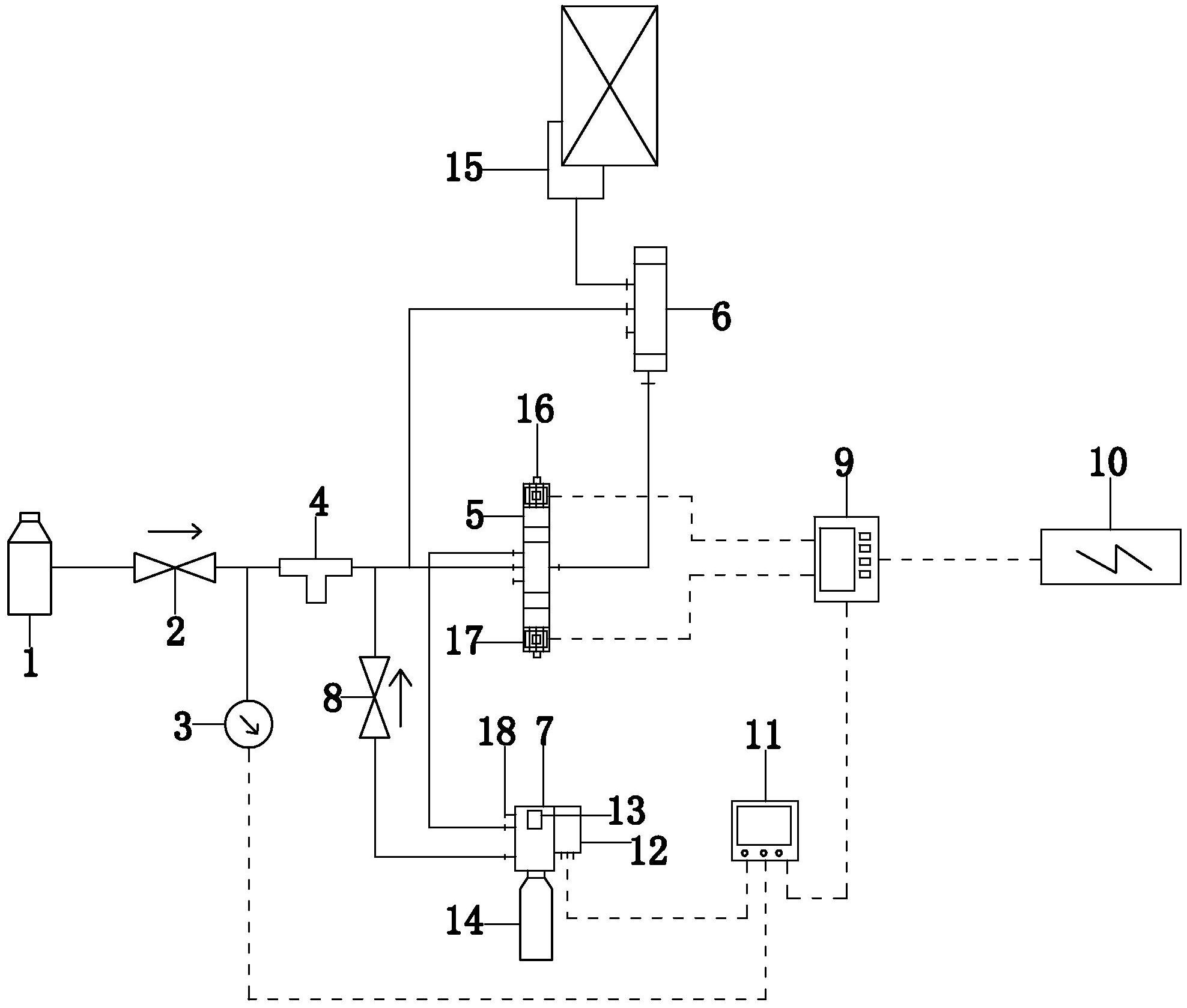
建筑防烟排烟余压控制系统的原理详情
图片尺寸1080x1440
什么是排烟系统?它们由哪些部分组成?图文详解
图片尺寸640x326
防排烟设备的原理,适用场合以及系统的控制方案详解
图片尺寸780x461