防雷接地原理图

防雷接地系统简图
图片尺寸1110x753
防雷接地工程及识图(999纯知识点分享),拿走不谢!
图片尺寸1080x810
仪表自动化系统防雷及接地ppt
图片尺寸1080x810
常用的有重复接地,保护接地,工作接地,防雷接地,屏蔽接地,防静电接地
图片尺寸605x361
室外弱电系统接地防雷方案
图片尺寸796x622
弱电防雷接地系统
图片尺寸876x626
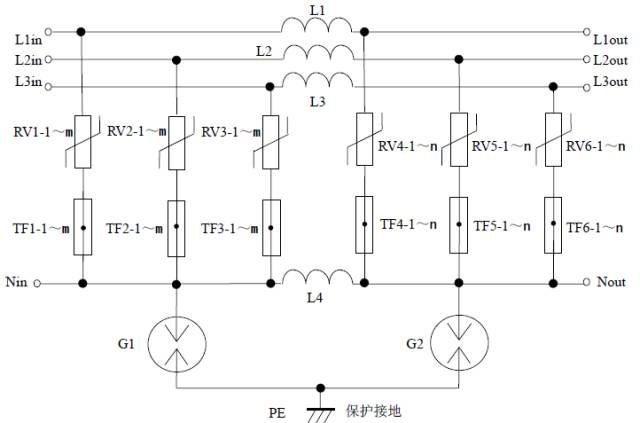
【从0到1】防雷电路大解析!
图片尺寸604x566
防雷接地系统应该怎么设计?
图片尺寸740x325
p>接地网系统是接地网,是对由埋在地下一定深度的多个 a target="
图片尺寸649x478
防雷接地示意图
图片尺寸1391x745
直流法-支路双端接地检测原理(1) 第一步 第二步
图片尺寸1080x810
雷电的形成,危害及防雷接地原理
图片尺寸640x345
雷雨季救星:防雷电路原理大解剖
图片尺寸640x423
建筑防雷接地工程图的识读方法
图片尺寸640x904
防雷接地一图通
图片尺寸2343x1113
防雷接地
图片尺寸520x457
防雷接地的方法图解
图片尺寸682x345
图1 共用接地系统原理图
图片尺寸640x520
全面介绍建筑电气防雷接地的具体做法值得收藏
图片尺寸852x461
一文讲解电力电子设计中的接地系统
图片尺寸1060x643