限流保护电路

一种流限值可调的过流保护电路
图片尺寸1726x1331
限流电路:通过电流互感器,比较放大器等元件监测电流,当电流超出设定
图片尺寸1654x974
一个经典限流保护电路的分析
图片尺寸873x504
lm317的充电电路lm317稳压器的限流保护电路
图片尺寸802x522
简易低成本限流电路
图片尺寸640x435
限流保护电路解析
图片尺寸500x343
三极管限流电路
图片尺寸389x366
限流保护电路
图片尺寸600x304
请看看这个限流电路
图片尺寸826x454
一种限流保护电路-爱企查
图片尺寸1406x980
限流保护电路原理图
图片尺寸500x308
cn101165983a_一种限流短路保护电路有效
图片尺寸1479x1160
最简单,最便宜,快速,占用空间最小的限流电路,在正常状态下具有低电阻
图片尺寸457x600
lm317的充电电路lm317稳压器的限流保护电路
图片尺寸737x628
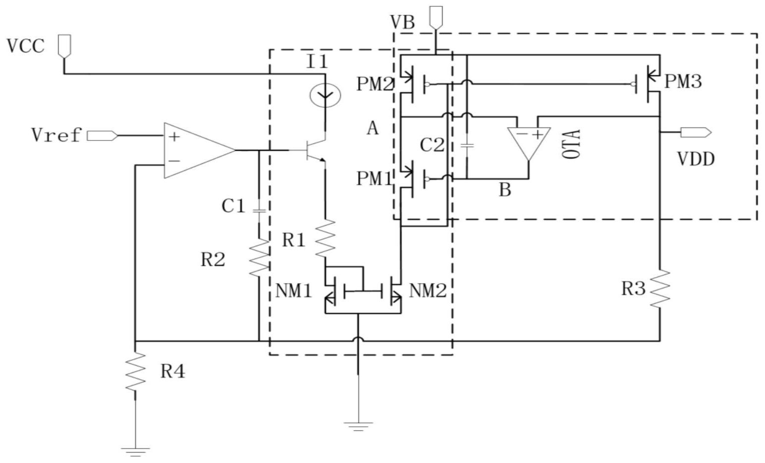
一种实现限流保护的低压差线性稳压电路
图片尺寸1542x933
cn206834718u_一种新型限流保护电路有效
图片尺寸504x406
采用 strong>二极管 /strong>的限流型 strong>保护电路图 /strong>.
图片尺寸337x184
三段式电流保护的构成原理和特点
图片尺寸847x450
限流保护电路接法
图片尺寸236x248
一种简单有效的限流保护电路设计
图片尺寸366x202