除法器逻辑电路

除法器电路图
图片尺寸344x398
>二进制数除法电路
图片尺寸1093x647
模拟除法器
图片尺寸2292x776
4位串行除法运算电路
图片尺寸963x491
除法运算电路图及原理
图片尺寸325x275
除法运算电路设计方案汇总(九款模拟电路设计原理详解)
图片尺寸632x376
请问这个电路能实现吗,如不能,请详解
图片尺寸641x480
利用lfsr实现模2除法的原理
图片尺寸372x197
除法电路5电路图
图片尺寸1127x468
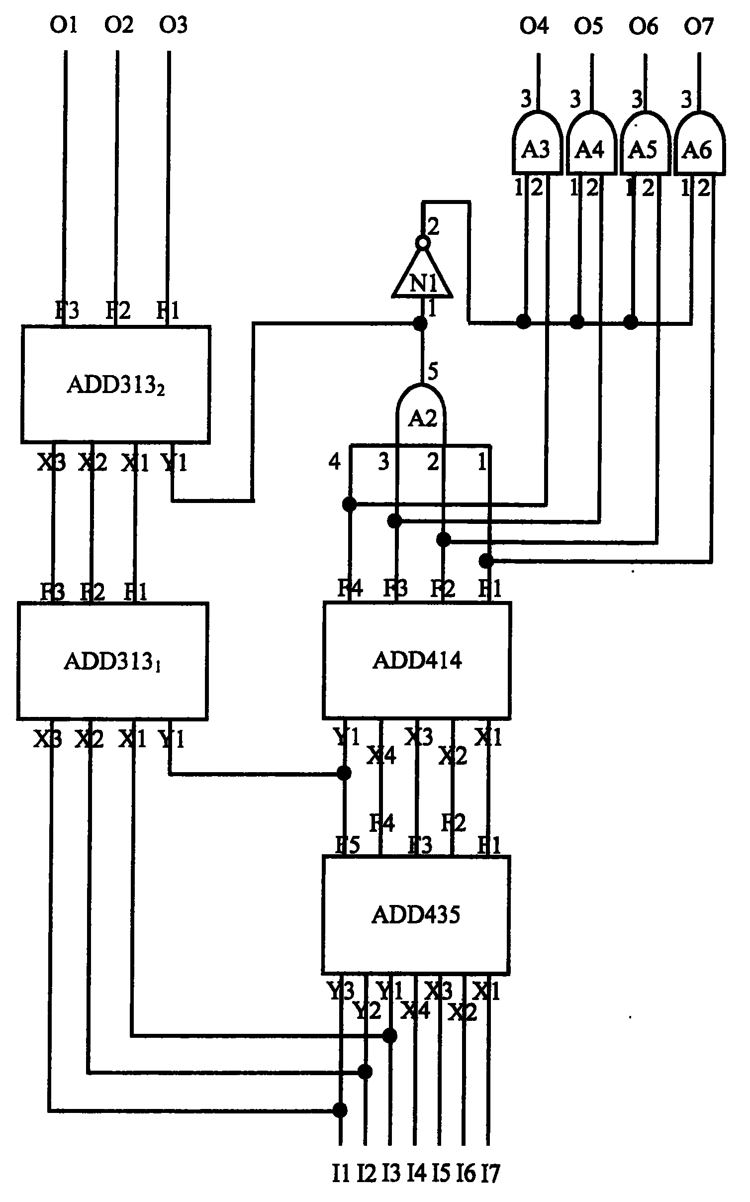
cn101739232a_基于可逆逻辑的除法器失效
图片尺寸2004x2164
并行除法器并行除法器结构原理是什么
图片尺寸560x415
数字电路逻辑式化简 f=s1非s0非ab s1非s0(a b) s1(s0非)(a(b非) a非b
图片尺寸662x416
一种除数是152n的快速除法器
图片尺寸1508x2416
除法运算电路设计方案汇总九款模拟电路设计原理详解
图片尺寸665x664
除法电路,需要利用对数和指数运算电路实现或者用模拟乘法器在集成
图片尺寸562x575
如图所示除法电路由单片乘法器集成电路xr-2228构成.
图片尺寸749x700
我要怎样修改电路,在v1<v2时,输出低电平,蜂鸣器报警,v1>v2时
图片尺寸450x249
cn101739232b_基于可逆逻辑的除法器失效
图片尺寸914x1000
除法电路图
图片尺寸750x310
15秒的减计数器
图片尺寸1004x550