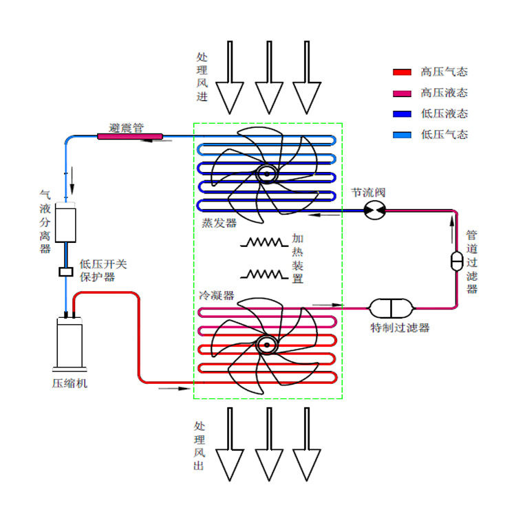
除湿机系统原理图

水冷调温除湿机系统组成图
图片尺寸3568x1698
除湿机原理图
图片尺寸750x750
空除湿没有基础,只有一个过程.
图片尺寸731x800
转轮除湿机的原理
图片尺寸800x430
除湿器qì3工业除湿机的工作原理lǐ是shì,类似于冰箱的制zhì冷系统
图片尺寸785x574
初测一台美菱除湿机md65e
图片尺寸1920x1080
按照工作原理不同,除湿机分为压缩式和吸附式两种,压缩式就好像一台
图片尺寸853x999
转轮除湿机的工作原理是怎么样的?除湿转轮的再生方式
图片尺寸1162x1280
一种由硬件电路实现的简易除湿机控制器
图片尺寸1933x1067
空调跟冷却型除湿机 除湿原理
图片尺寸515x253
除湿机原理.jpg
图片尺寸590x448
除湿原理图
图片尺寸600x400
供应风巢转轮除湿机 除湿干燥机
图片尺寸3524x2499
科普除湿机风机的工作原理性能特点及技术参数
图片尺寸656x623
东井全自动除湿加湿一体机 档案室实验室恒湿机 带rs485远程控制
图片尺寸750x500
lct25手动调温除湿机系统原理图
图片尺寸768x531
ahu-2选用组合式转轮除湿机组jd-3300sch系统流程图: 注:组合式
图片尺寸1440x927
小米智能家居又添新成员,米家智能除湿机22l真实体验
图片尺寸640x340
一种快速除湿低能耗的调温型除湿机
图片尺寸1921x1196
除湿机原理介绍及功能推荐
图片尺寸350x300