集成运放

全新集成电路ic 运算放大器 lm324 dip-14 lm324n 大芯片特价
图片尺寸377x400
求一个集成运放构建一个能放大10倍的直流放大电路
图片尺寸1014x792
集成放大电路
图片尺寸1390x851
板级集成运放的应用 正负电源供电的同相放大器电路
图片尺寸1540x1108
2-2集成运放及其基本应用
图片尺寸1080x810
全新集成电路ic 运算放大器 lm358 lm358dr sop-8 特价优势现货
图片尺寸400x368
第十三讲 集成电路运算放大器 6.1电流源 6.2 差分放大电路
图片尺寸1080x810
经典集成运放电路实验板套件 电工实训 运算放大器模拟电子教学
图片尺寸800x800
集成运放的特点:61电压增益高61输入电阻大61输出电阻小
图片尺寸472x384
集成运放练习题2
图片尺寸1296x897
集成运放介绍下
图片尺寸1335x952
模拟电子电路 第四章 集成运放简介ppt
图片尺寸1080x810
opa1612运放芯片
图片尺寸469x375
集成运放组成电路 - 2020年最新商品信息聚合专区 - 百度爱采购
图片尺寸1200x950
集成运放
图片尺寸1080x810
模拟电子电路基础集成运算放大器
图片尺寸500x325
3 集成运放简介ppt
图片尺寸1080x810
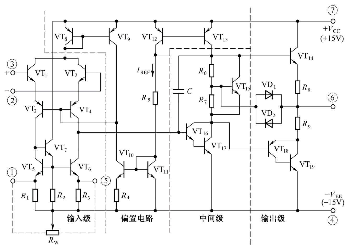
扒一扒集成运放ua741的内部电路
图片尺寸1728x1080
集成运放内部结构(举例)
图片尺寸893x347
这个运放电路中对于ui1和ui2的输入电阻分别为多少啊?
图片尺寸393x308