零序互感器安装接线图

零序电流互感器接线图
图片尺寸944x523
电流互感器与零序电流互感器的区别及作用
图片尺寸459x242
零序电流互感器安装接线
图片尺寸1383x593
互感器电表接线图
图片尺寸750x882
三相四线电度表连接互感器接线图
图片尺寸588x540
零序电流互感器接线图
图片尺寸722x512
每一个电工都需要明白的电压互感器接线方法图解
图片尺寸600x258
零序电流互感器设计选型
图片尺寸456x455
三相四线表配接电流互感器接线原理图
图片尺寸2386x1363
零序电流互感器?
图片尺寸550x380
三台电流互感器用于零序保护接线
图片尺寸768x762
电流互感器原理接线图
图片尺寸720x540
三相四线电表互感器接线图
图片尺寸716x511
三相电表互感器接线图
图片尺寸960x408
10kv电压互感器各种接线方式的作用
图片尺寸487x782
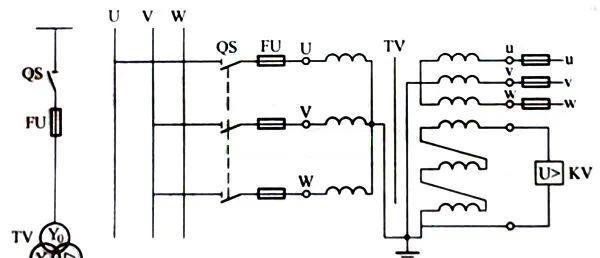
四,jszjk零序电压互感器接线图三,jszjk零序电压互感器产品外形及安装
图片尺寸729x362
零序电流互感器该接哪里
图片尺寸1008x612
低压零序电流互感器接线图
图片尺寸1009x290
电缆的接地线为什么要穿过零序电流互感器?(6月20日)
图片尺寸620x327
电表和互感器接法
图片尺寸600x322