音响制作原理

原理图
图片尺寸3239x2550
1音箱原理图
图片尺寸1187x849
音响系统的构成和工作原理
图片尺寸936x473
1声道桌面功放的制作_haodiy_音响电子电脑科技diy小制作发明
图片尺寸508x658
多媒体音箱原理图
图片尺寸1188x881
组合音响原理图
图片尺寸1698x1179
静电式扬声器原理图
图片尺寸1600x1556
漫步者音箱维修漫步者音响功放c1故障维修
图片尺寸1488x957
sj8305原理图 usb 2 1音箱电路
图片尺寸1898x1253
蓝牙音箱原理图
图片尺寸666x304
gc200系列usb host蓝牙音箱电路原理图
图片尺寸993x704
音箱分频器电路图,惠威音箱分频器电路图(音箱分频器电路图原理)
图片尺寸640x604
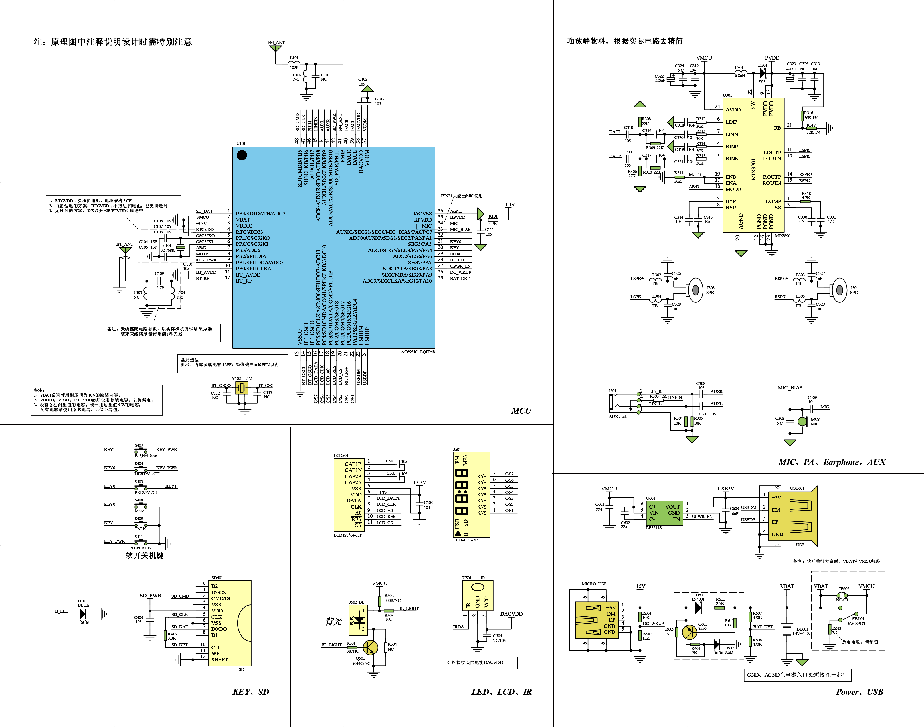
杰理蓝牙mp3音箱方案原理图_1.
图片尺寸1188x918
一款卧室音响功放原理图
图片尺寸758x608
有源音响电路制作详细教程ppt
图片尺寸800x600
先款买了一对安桥音箱d-s7gx_≡ 家电类≡_多媒体,组合音响,智能音响
图片尺寸966x1171
cn202773067u_一种蓝牙音箱有效
图片尺寸1000x553
模拟时代的典型家用hifi音响系统示意图
图片尺寸506x388
请提供一下这个音箱的制作图纸万分感谢
图片尺寸480x659
他真的很会取悦你的耳朵奔驰威霆音响升级记
图片尺寸594x559