顺序启动原理图

电动机顺序启动控制电路 有粉丝朋友叫我讲讲电动机顺序启动控制电路!
图片尺寸1757x1280
工程科技 电子/电路 双电机的顺序启动 双电机的顺序启动,电气原理图
图片尺寸1152x794
设计两台电动机顺序启动控制电路
图片尺寸592x461
电工基础主页 电工基础 顺序启动,停止控制电路是在一个设备启动之后
图片尺寸532x478
两台电机顺序启动逆序停止
图片尺寸1224x938
图2-7 按时间原则顺序启动的控制线路
图片尺寸640x774
两台电动机顺序启动停止控制设计
图片尺寸673x440
三相异步电动机的顺序启动控制原理图解
图片尺寸569x458
电动机顺序延时启动停止顺序启动控制电路视频
图片尺寸640x424
顺序- 热门商品专区
图片尺寸847x420
(1)阅读自动加速(双速)顺序启动逆序停止电路电气原理图(如图3-21所示
图片尺寸1676x858
三台电动机顺序启动逆序停止,中间都有时间间隔,求时间续电器自动电路
图片尺寸749x547
电动机顺序启动的问题
图片尺寸1600x1200
三台电机顺序启动逆序停止线路
图片尺寸1140x895
三台电机顺序启动逆序停止线路
图片尺寸1315x1059
一个按钮控制两台电机顺序启动,控制电路图怎么画?
图片尺寸546x318
三相电动机控制电路实现顺序控制电路图解 下图(a)所示为三相电动机
图片尺寸1390x1280
电动机顺序启动控制电路原理图解
图片尺寸650x454
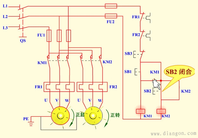
3 采用一个按钮控制两台电动机的依次顺序启动
图片尺寸1080x810
设计一个电路,要求两台电动机顺序启动
图片尺寸680x517