顺序控制电路图

电动机顺序启动控制电路 有粉丝朋友叫我讲讲电动机顺序启动控制电路!
图片尺寸1757x1280
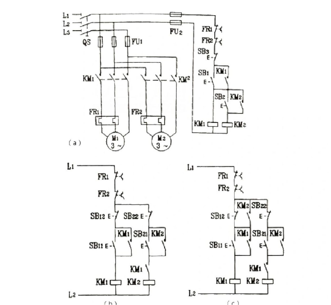
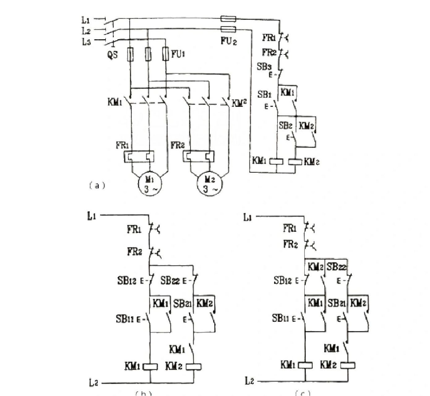
三相电动机控制电路实现顺序控制电路图解 下图(a)所示为三相电动机
图片尺寸1390x1280
一文详解三相异步电动机的顺序控制电路-电子发烧友网
图片尺寸667x470
顺序启动逆序停止线路原理图!
图片尺寸960x1280
控制电路实现顺序控制的电路图 - 2020年最新商品信息聚合专区 - 百度
图片尺寸847x420
顺序控制线路安装及调试工厂电气控制技术
图片尺寸602x347
电气原理图,两台电机的自动顺序启动 #电工
图片尺寸781x1224
三相电动机控制电路实现顺序控制电路图解 三相电动机控制电路实现
图片尺寸1390x1280
电动机顺序延时启动停止顺序启动控制电路视频
图片尺寸640x424
职中专业课职中机电(学习情景3(顺序控制电路))通用ppt
图片尺寸1080x810
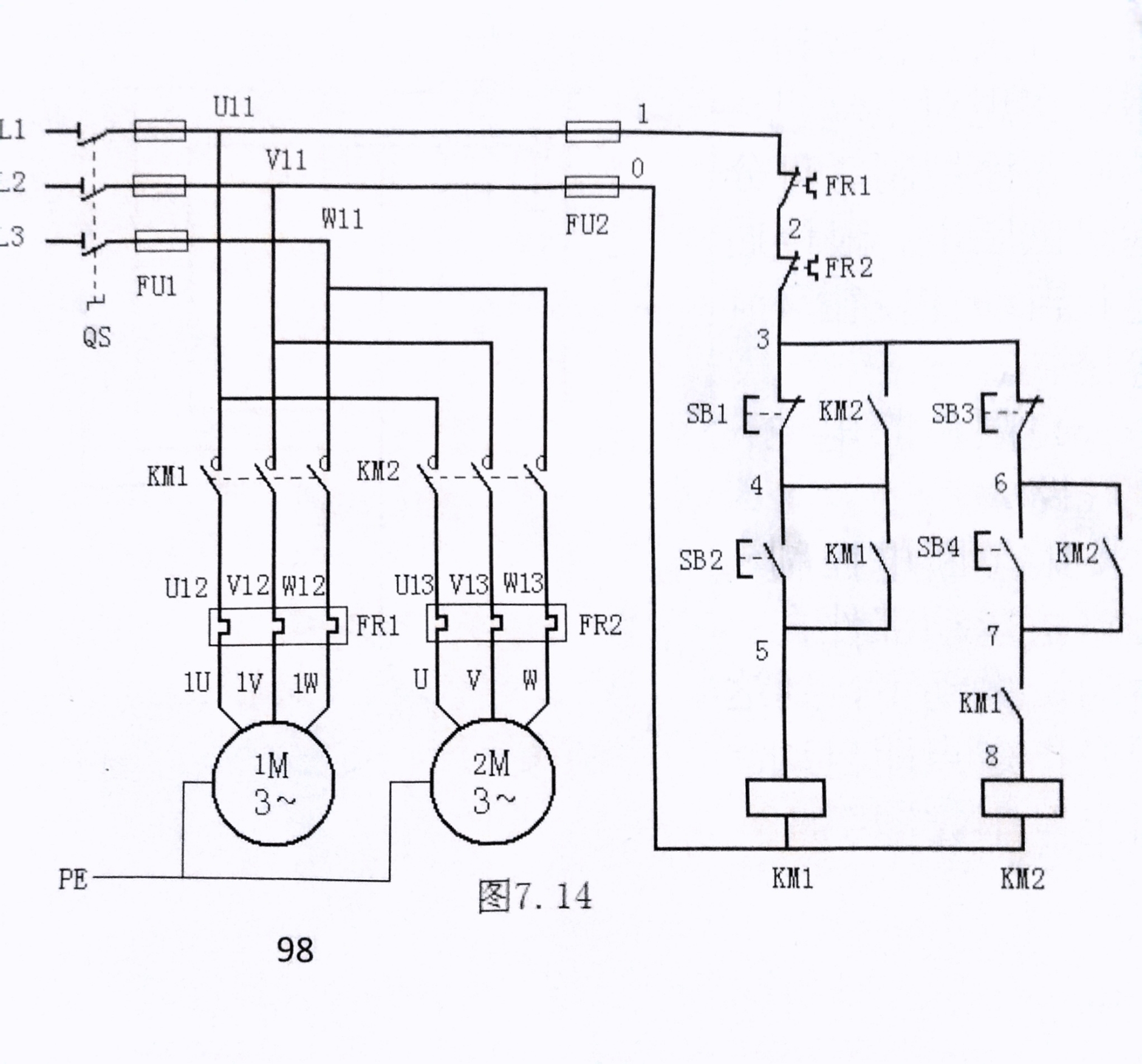
顺序开机逆序关机控制线路,就像开门自1一2,关门自2-1
图片尺寸1880x1751
自动顺序启动控制二次线路图
图片尺寸640x399
三相异步电动机顺序控制2
图片尺寸600x456
两台电动机按顺序启动分开停止的控制电路
图片尺寸640x451
图2-6 图2-7所示电路是采用时间继电器按时间原则顺序启动的控制线路
图片尺寸640x774
1 2011-11-08 这个电路能改成就用sb1和sb2按钮控制所有电
图片尺寸2339x1654
三款经典的顺序启停控制电路讲解,用处很大!
图片尺寸677x426
自动顺序启动控制电路
图片尺寸1024x576
两台电动机按顺序启动逆序停止的电路图
图片尺寸920x1302
顺序连锁控制线路
图片尺寸1109x1162