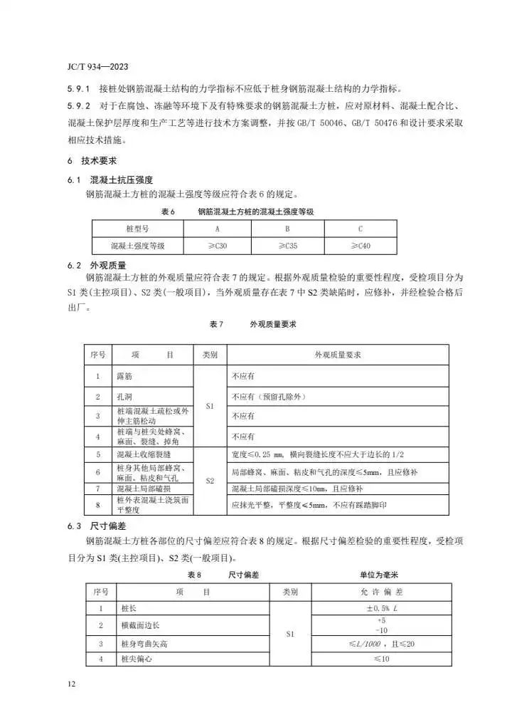
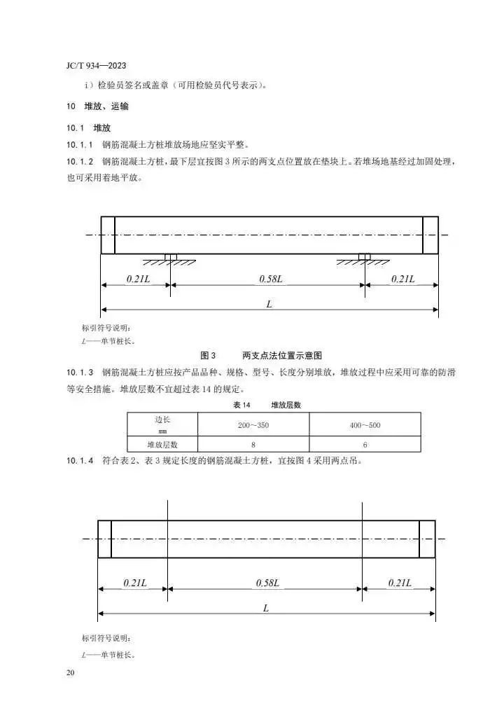
预制方桩规格

行业标准|《预制钢筋混凝土方桩》jc/t 934-2023
图片尺寸720x1018
张掖预制钢筋混凝土方桩-唐山市龙禹水泥制品有限公司
图片尺寸546x720
拉森钢板桩技术参数及性能指标
图片尺寸920x1303
行业标准|《预制钢筋混凝土方桩》jc/t 934-2023
图片尺寸720x1018
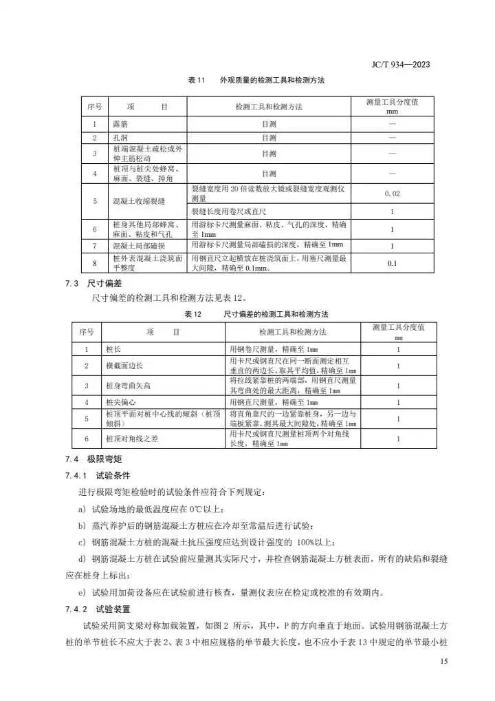
行业标准|《预制钢筋混凝土方桩》jc/t 934-2023
图片尺寸720x1018
行业标准|《预制钢筋混凝土方桩》jc/t 934-2023
图片尺寸720x1018
广州水泥方桩,广州白云方桩,广州南沙预制方桩,广州增城河道方桩,广州
图片尺寸1440x2836
钢板桩规格表
图片尺寸920x1303
20g361预制混凝土方桩
图片尺寸1400x990
20g361预制混凝土方桩
图片尺寸1400x990
行业标准|《预制钢筋混凝土方桩》jc/t 934-2023
图片尺寸720x1018
12g05-2预制钢筋混凝土空心方桩(天津市建筑标准设计图集).
图片尺寸1024x710
行业标准|《预制钢筋混凝土方桩》jc/t 934-2023
图片尺寸720x1018
20g361预制混凝土方桩
图片尺寸1400x990
行业标准|《预制钢筋混凝土方桩》jc/t 934-2023
图片尺寸720x1018
20g361预制混凝土方桩
图片尺寸1400x990
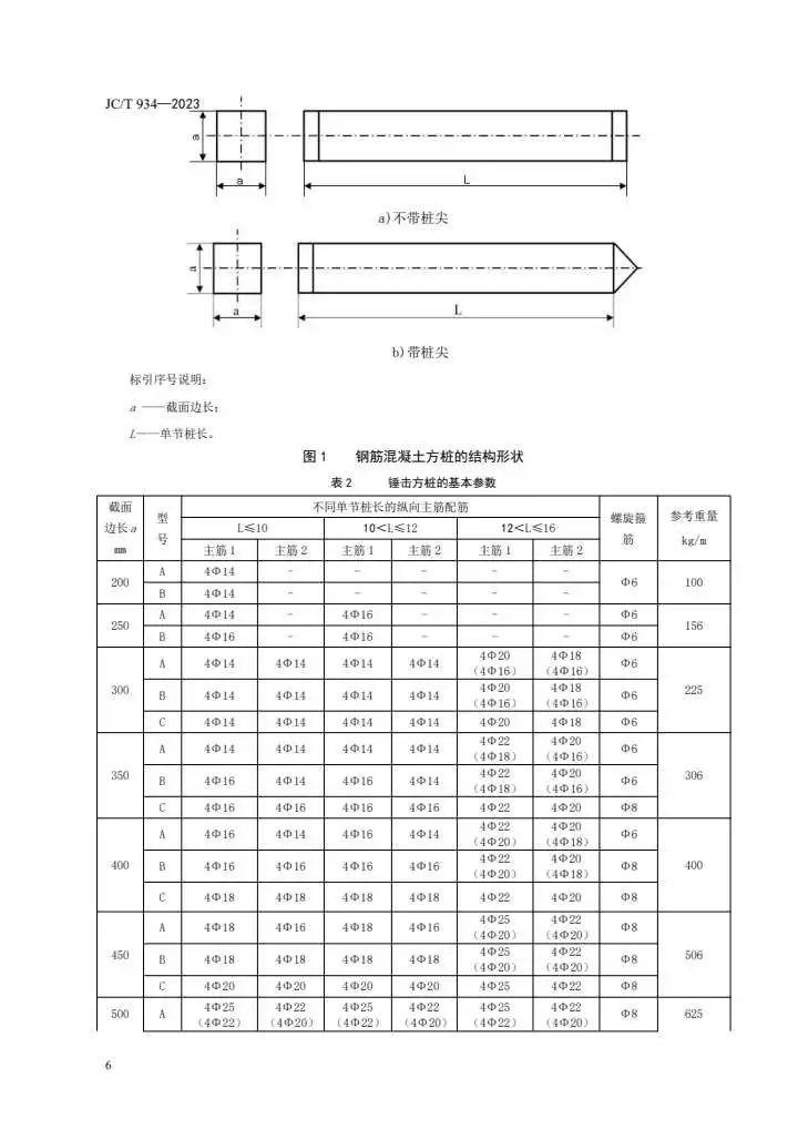
行业标准|《预制钢筋混凝土方桩》jc/t 934-2023
图片尺寸720x1018
行业标准|《预制钢筋混凝土方桩》jc/t 934-2023
图片尺寸720x1018
08sg360预应力混凝土空心方桩
图片尺寸1406x978
新图发布∣中南标《预应力高强混凝土空心方桩》发布
图片尺寸6142x4367