风扇霍尔ma477电路图

求助显卡风扇的修理,霍尔元件477的原理
图片尺寸481x390
单线圈4脚风扇驱动霍尔传感器ma477电路图特性引脚
图片尺寸600x553
带遥控调速风扇电路控制电路
图片尺寸1318x851
电风扇多功能控制电路lc903
图片尺寸1257x913
电风扇的电路图典型电风扇电路的识图方法
图片尺寸1127x923
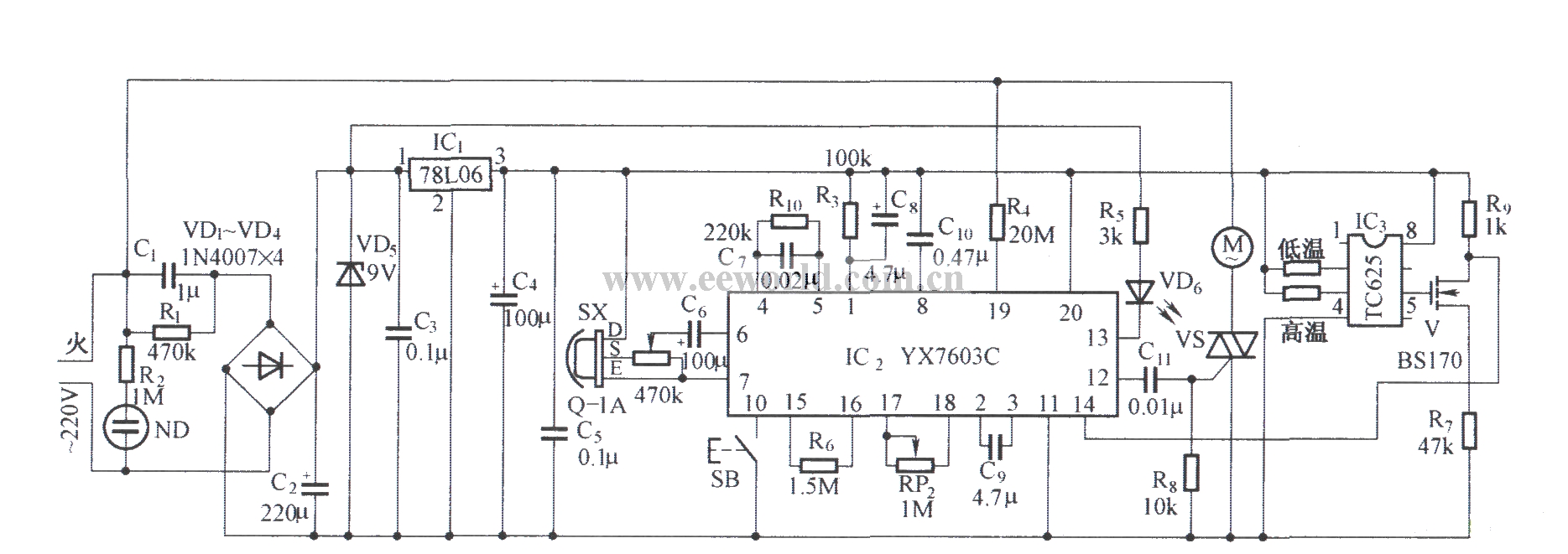
电风扇温控电路
图片尺寸1233x568
智能遥控电风扇电路图
图片尺寸1735x946
风扇自动温度控制(pwm)电路!(多路保险)
图片尺寸1202x1213
电风扇程控电路pc2122
图片尺寸1366x960
电风扇工作原理和应用 电风扇工作原理和应用说明
图片尺寸640x441
单极性霍尔开关oh3144oh44e
图片尺寸626x477
风扇的温度控制电路图
图片尺寸670x540
数显红外遥控电风扇电路
图片尺寸1460x634
电风扇模拟自然风电路七
图片尺寸1529x765
电风扇红外遥控电路
图片尺寸1451x1791
笔记本风扇控制电路控制原理
图片尺寸1080x810
人体控制的电风扇电路
图片尺寸1869x661
电风扇温控电路 - 电风扇
图片尺寸1633x552
电风扇自然风控制电路一
图片尺寸1154x488
发几个霍尔风扇电路图 ah276 和211
图片尺寸533x282