风机平面图

cy180蜗牛式低噪音工业机械抽风机750w管道排烟风机工频离心风机
图片尺寸1270x905
919no45a风机外形图
图片尺寸800x500
htf(a)系列消防高温排烟轴流风机
图片尺寸850x390
cx-100a鼓风机.功率1.5kw
图片尺寸1160x858
厂家直销5-27,5-32,5-34高压离心风机
图片尺寸1024x713
9-26№5a高压离心风机
图片尺寸1287x856
风机图纸
图片尺寸1518x2147
zgsr 碳酸钙行业zgsr250h罗茨风机
图片尺寸1440x1080
9268d高压离心风机dwg
图片尺寸800x500
风机在涂布机里的应用
图片尺寸649x248
bdhfth1120cr90离心风机三视图
图片尺寸708x478
康美风dtz动叶可调轴流通风机轴流风机
图片尺寸1293x712
jqz系列no4a-6a碎边纸输送风机
图片尺寸1734x822
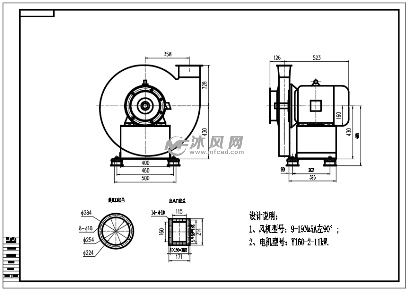
离心风机9-19№5a
图片尺寸820x584
250手提轴流风机着力牌
图片尺寸886x490
风机cad机械图纸
图片尺寸1200x930
康美风htf轴流式消防排烟风机轴流风机
图片尺寸1281x629
罗茨风机外形尺寸图附cad图
图片尺寸781x559
9-19№8d高压离心风机
图片尺寸800x500
常见的风机安装方法
图片尺寸572x532