风机盘管开关图例

图例
图片尺寸828x1792
风管阀门图标,风管阀门图例
图片尺寸596x913
这是什么图例?连接是风机盘管控制开关
图片尺寸980x560
风管阀门图标,风管阀门图例
图片尺寸760x916
通风空调工程常用图例:给排水,采暖常用图例:水,汽管道阀门和附件图例
图片尺寸640x415
风阀图例符号大全
图片尺寸600x846
想问问各位老师风机盘管控制器在图纸平面图中中是什么样式的在哪计取
图片尺寸436x264
图例
图片尺寸720x770
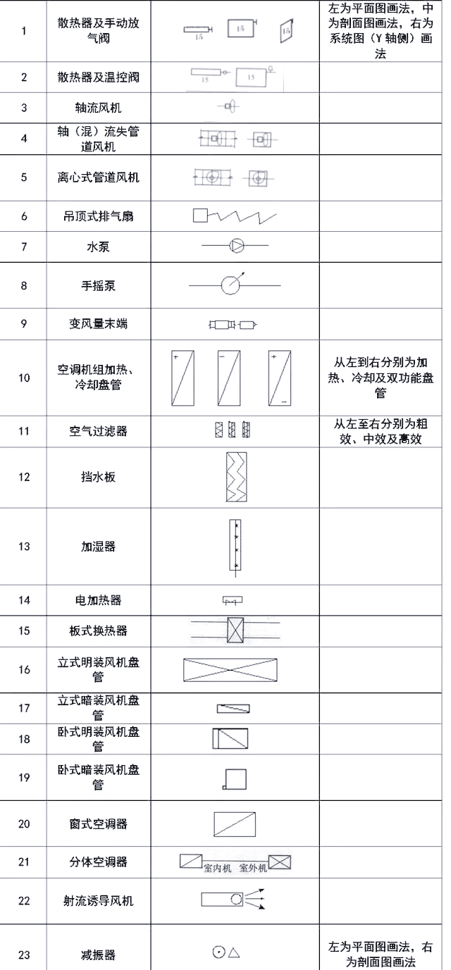
在通风空调工程的施工图纸中,各类暖通空调设备的图例也是不可或缺的
图片尺寸640x1377
空调风管系统符号图例
图片尺寸700x528
照明开关在平面图上的图形符号
图片尺寸1280x1166
风机盘管接线图.风机盘管#风机盘管 #中央空调 #暖通工程
图片尺寸1332x2588
风机盘管的接线
图片尺寸579x364
风机盘管的接线方式
图片尺寸700x794
独立型风机盘管控制系统
图片尺寸700x412
管道施工图纸中常见阀门图例及知识概览
图片尺寸1080x1014
风机盘管的控制接线
图片尺寸554x292
教你如何看风管图纸
图片尺寸640x956
惠利得 中央空调机械式温控器 旋钮温控开关面板 风机盘管三速开关 3
图片尺寸579x877
请问这个图例是单个风机盘管吗
图片尺寸511x308