风管图纸图标大全

请问一下风管表示大小的符号90061150d315这三种都是表示的直径吗算
图片尺寸626x447
教你如何看风管图纸
图片尺寸640x956
cad通风空调素材 含风管及法兰 风管方圆变径管 消声器 消声弯头 风管
图片尺寸408x475
风道符号
图片尺寸729x689
通风空调图例来看看你都认识吗#风管加工 #暖通 #消防排烟工 - 抖音
图片尺寸1242x1340
通风空调工程常用图例
图片尺寸656x369
回风管,排风管 混凝土或砖砌风管 异径风管 天圆地方 柔性
图片尺寸642x1017
5,通风与空调工程计量与计价2
图片尺寸1080x810
安装算量基础知识 通风空调工程
图片尺寸552x519
如图为空调风管平面图,图中标出的1,2是指什么
图片尺寸596x913
风管阀门
图片尺寸420x396
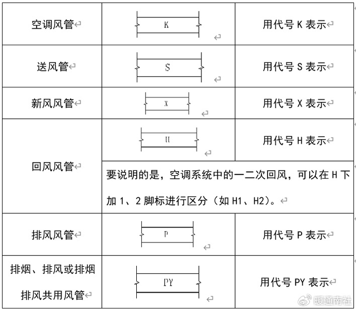
空调风管系统符号图例
图片尺寸593x517
通风图纸图中所示这个是什么阀门
图片尺寸522x453
风管
图片尺寸526x683
风管及部件
图片尺寸565x452
风管施工详图
图片尺寸1600x1280
通风图表编制办法
图片尺寸387x464
通风专业图例符号大全|风管|图例|通风_新浪新闻
图片尺寸700x610
风管
图片尺寸1216x674
本资料为 医院空调风管安装大样图cad 图纸展示: 风管系统
图片尺寸2400x1800